EasyManua.ls Logo

Akai AA-A35 - Page 37

Akai AA-A35
70 pages
Print Icon
To Next Page IconTo Next Page
To Next Page IconTo Next Page
To Previous Page IconTo Previous Page
To Previous Page IconTo Previous Page
Loading...
TC9125BP
TC9156P
re
REFERENCE
FREQUENCY
rer
8
se]
|
DIVIDER
Frreo
[|
EL-@
001
5
ra
sececT
| |
puase
a)
ij
COMPA
i
|
-eator
|
|
fo]
|
ees
3
&
_
ol
'procramasce!
f—"
EO
pa
Oe
counter
|
SI.
!
i
TC
+@vo
|
1
I
LS]
pour
I
!
CONTROL
|
|
x1]
xio
|
xtoo
|
xiooo]
move
(9)
Pout-1
|
pace
|
pace
|
pace
|
pace
|
cLeaTe
catcu|LatcH
|
Latcs
|
LatcH|
LaTcH
|
———
>i)
Poure
|
if
i
|
Huy
|
|
|
I
I
|
Le
|
faooress|_n
[oara
aooress
|
P|
LATCH
>|
DECODER
|
|
i
H
|
[toa
|
|
seveer
5
j
|
I
I
Z
|
| |
eet
=
AB
TRL
Pe
a
a
oe
neers
(16)
ie
toa
ABO
GND
voo
voo
GND
vss
inn
(
D—D—C
4
pata
cere
ia
\eolr
SwFY
aeasteR
crock
@
fats
ie
es
ws
py
os
8
7
6
4
st
z
ea
a
sto
(18
\ \
oe
1
e@
L3@
1g
iT
LaTeH
circuit
13
elT
LateH
ciRcuIT
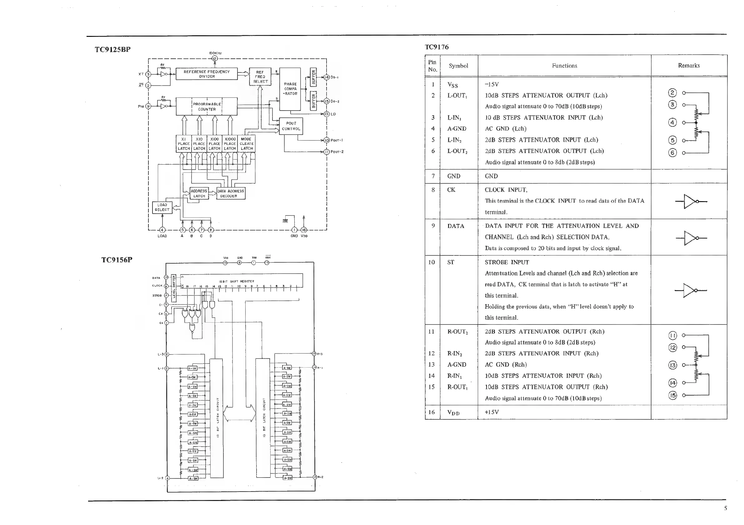
TC9176
ey
Symbol
Functions
Remarks
1
|
Vss
-15V
2
L-OUT,
10dB
STEPS
ATTENUATOR
OUTPUT
(Lch)
®
oo
Audio
signal
attenuate
0
to
70dB
(10dB
steps)
®
3
L-IN,
10
dB
STEPS
ATTENUATOR
INPUT
(Lch)
4
|
AGND
AC
GND
(Lch)
@
5
LIN,
2dB
STEPS
ATTENUATOR
INPUT
(Lch)
©
6
L-OUT,
2dB
STEPS
ATTENUATOR
OUTPUT
(Lch)
©
———S
Audio
signal
attenuate
0
to
8db
(2dB
steps)
7
GND GND
8
CK
CLOCK
INPUT,
This
terminal
is
the
CLOCK
INPUT
to
read data
of
the
DATA
pe
terminal.
9
DATA DATA
INPUT
FOR
THE
ATTENUATION
LEVEL
AND
CHANNEL
(Lch
and
Rch)
SELECTION
DATA,
=
aad
Data
is
composed
to
20
bits
and
input
by
clock
signal.
10
ST
STROBE
INPUT
Attentuation
Levels
and
channel
(Lch
and
Rch)
selection
are
read
DATA,
CK
terminal
that
is
latch
to
activate
“H”
at
this
terminal.
eam
Holding
the
previous
data,
when
“H”
level
doesn’t
apply
to
this
terminal.
11
R-OUT,
2dB
STEPS
ATTENUATOR
OUTPUT
(Rch)
‘O)
Audio
signal
attenuate
0
to
8dB
(2dB
steps)
12
R-IN)
2dB
STEPS
ATTENUATOR
INPUT
(Rch)
@
13
A-GND
AC
GND
(Rch)
®
14
R-IN;
10dB
STEPS
ATTENUATOR
INPUT
(Rch)
15
R-OUT,
10dB
STEPS
ATTENUATOR
OUTPUT
(Rch)
Audio
signal
attenuate
0
to
70dB
(10dB
steps)
o——
16
|
Vpp
+15V

Related product manuals