EasyManua.ls Logo

Akai AA-A35 - Page 39

Akai AA-A35
70 pages
Print Icon
To Next Page IconTo Next Page
To Next Page IconTo Next Page
To Previous Page IconTo Previous Page
To Previous Page IconTo Previous Page
Loading...
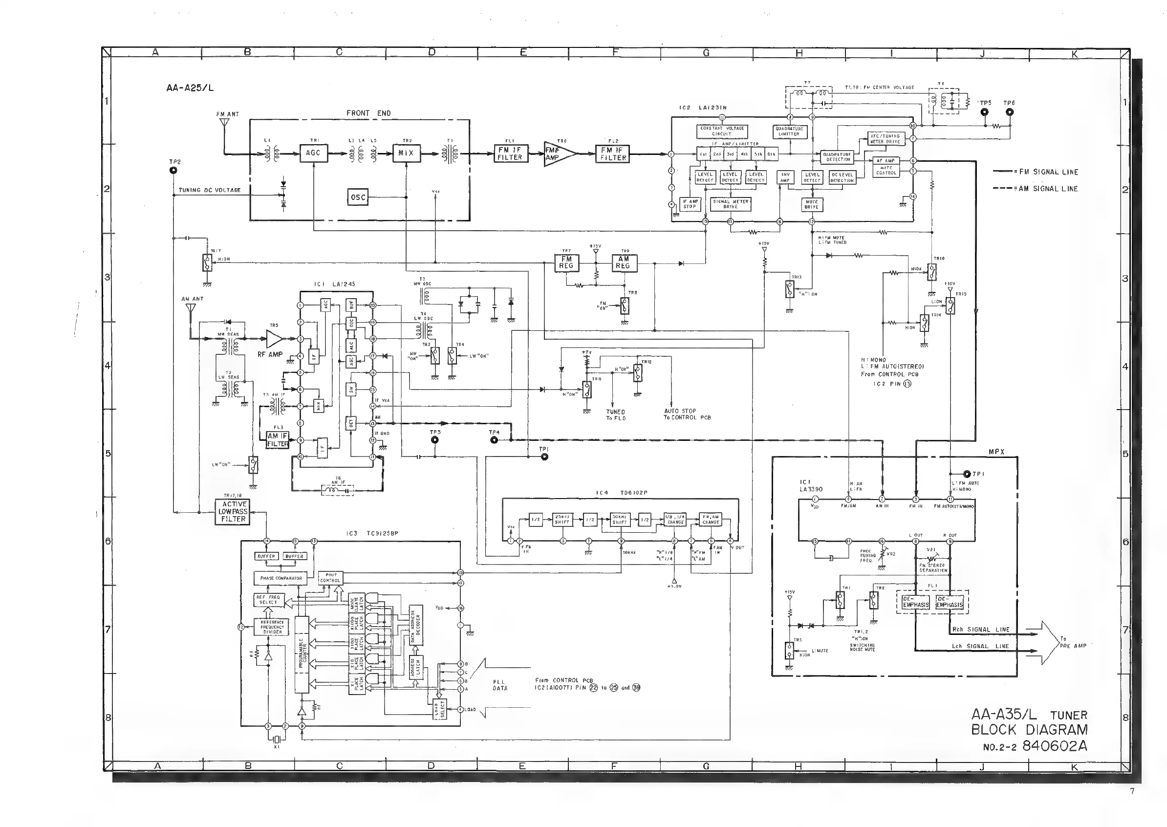
AA-A25/L
1c2
LAI231N
FRONT
END
TONS
TANT
VOLTABE
TORDRATURE
circuit
LimiTTeR
RFC/TONING
we
us
q
METER
ORIVE
Ler}
gle
s
ziti
pe
THE
a
conto.
——=FM
SIGNAL
LINE
oerecr
erection
TUNING
DC
VOLTAGE
FAM
SIGNAL
LINE
SIGWAL
METER
ORIVE
wee
ure
Creu
Tunes
H:
MONO
L)
FM
AUTO(STEREO)
From
CONTROL
PCB
lez
PIN@
13
aM
iF
AUTO STOP
To
CONTROL
PCB
11
1c4
To6102P
£A3320
ACTIVE
FIN
FM
RUTOISTI/WOKO|
LOWPASS.
FILTER
Zann
Sonne
78174
Ter
SHIFT
IT
5
uae
CHANGE
Ic3
TC9125BP
wren]
(eorree]
t
REFERENCE
Frequency
bivioeR
q
Eikee
|cttare
Caren
[Uaten
ecooER
TA
AODRESS
To
guirenine
Lch
SIGNAL
_LINE
PRE
AMP
aaa
LE
TOORESS
LATCH
From
CONTROL
Pca
1c2tal0o71)
PIN
@
to
@
and
peace Caron
AA-A35/L_
TUNER
BLOCK
DIAGRAM
no.2-2
840602A

Related product manuals