EasyManua.ls Logo

Akai ATT-15C

Akai ATT-15C
89 pages
To Next Page IconTo Next Page
To Next Page IconTo Next Page
To Previous Page IconTo Previous Page
To Previous Page IconTo Previous Page
Loading...
59
12. Odbiór Bluetooth
13. Wersja Bluetooth: 5.3
14. Zasięg połączenia Bluetooth: 10m
15. Częstotliwość Bluetooth: 2,4 - 2,483GHz
16. Moc nadawania kanału Bluetooth: 1 mW
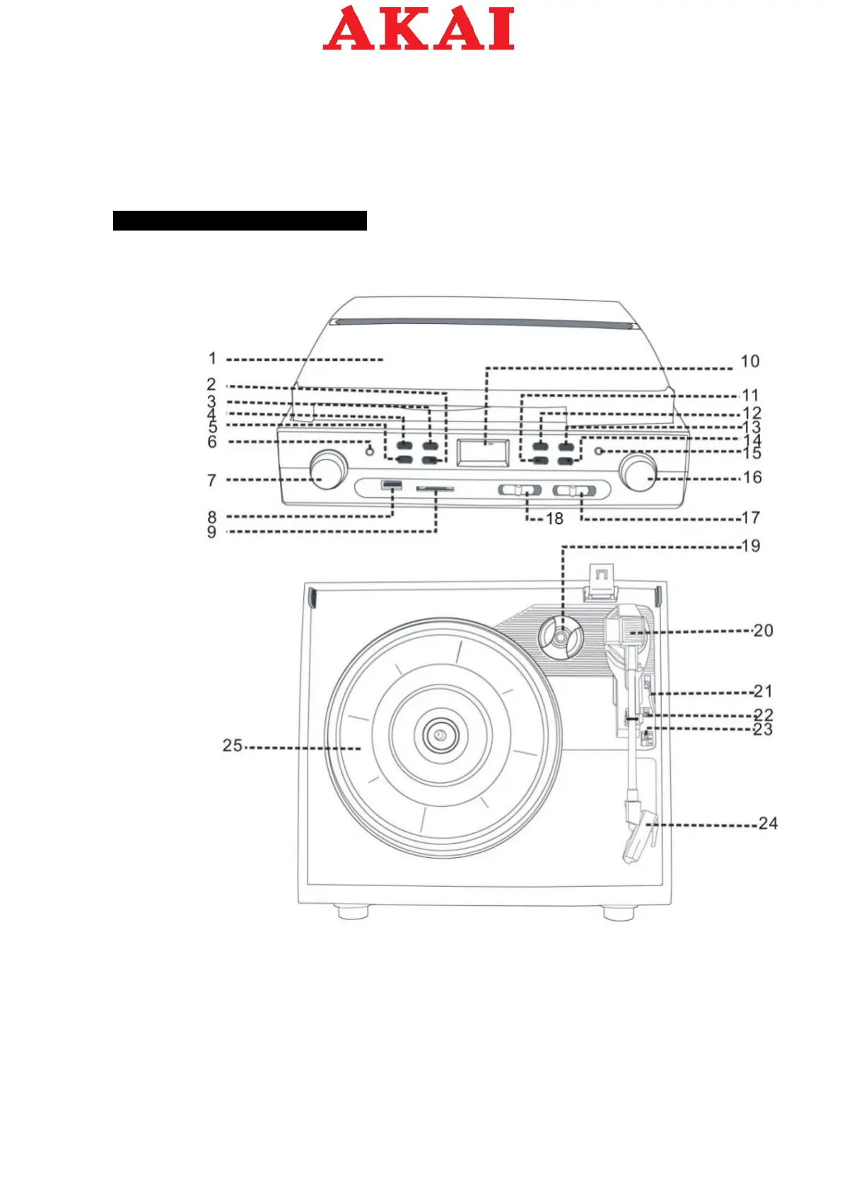
OPIS PRZYCISKÓW

Related product manuals