EasyManua.ls Logo

Akai VS-2EGN

Akai VS-2EGN
193 pages
To Next Page IconTo Next Page
To Next Page IconTo Next Page
To Previous Page IconTo Previous Page
To Previous Page IconTo Previous Page
Loading...
PG
HEAD
REC
SW
POINT
DRUM
MOTOR
DRUM
MOTOR
FG
FREQUENCY
750Hz
CAPSTAN
MOTOR
FG
FREQUENCY
570Hz
TAPE
SPEED
_33,35mm/sec
REF
V
60Hz
wi
8
fg
jo
le
Ic4
2
MCI458P
FS
AMP
ear
ieee
a
ee
|
i
DM
SPD
ADJ
COLOR
PHASE
ADJ
-
SRVIZV
wm
7
VRI3-
TRIS,
16
SW
PULSE
|
3
Ri29,
cea
R28,
R34
2
ctl
|
|
1
|
|
MY
!
t
I
|
1
ic3
1/2
PS.
ca
272
~S
cue"H"
We
‘OM.M?
SPO
"H"
cer
"LY
©)
omam
=
spo".
icl2
SRV
I2v-—
12V-REGI
+.
®ern"
30
a
'
COUNT
1)
COUN
'
1)
DOWN
Do
1
5
TR3,4
L-~--~~_.
a
tees
IcI7
HDI4024BP
Ic7
172
TC4520
Service
Manual
VS-2EGN
LIMITER
014,RI06,C56
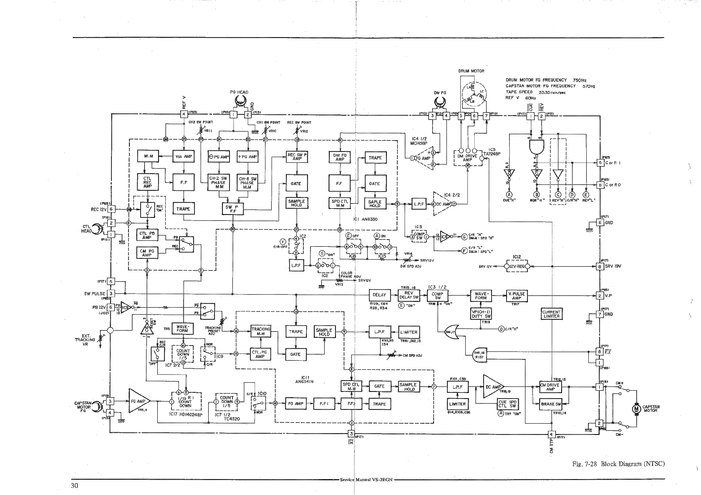
Fig.
7-28
Block
Diagram
(NTSC)

Related product manuals