EasyManua.ls Logo

Alesis QS6.2 - Configuration 4: 1 REVERB+EQ; Configuration 5: OVERDRIVE+LEZLIE

Alesis QS6.2
105 pages
Print Icon
To Next Page IconTo Next Page
To Next Page IconTo Next Page
To Previous Page IconTo Previous Page
To Previous Page IconTo Previous Page
Loading...
Editing Effects
11
75
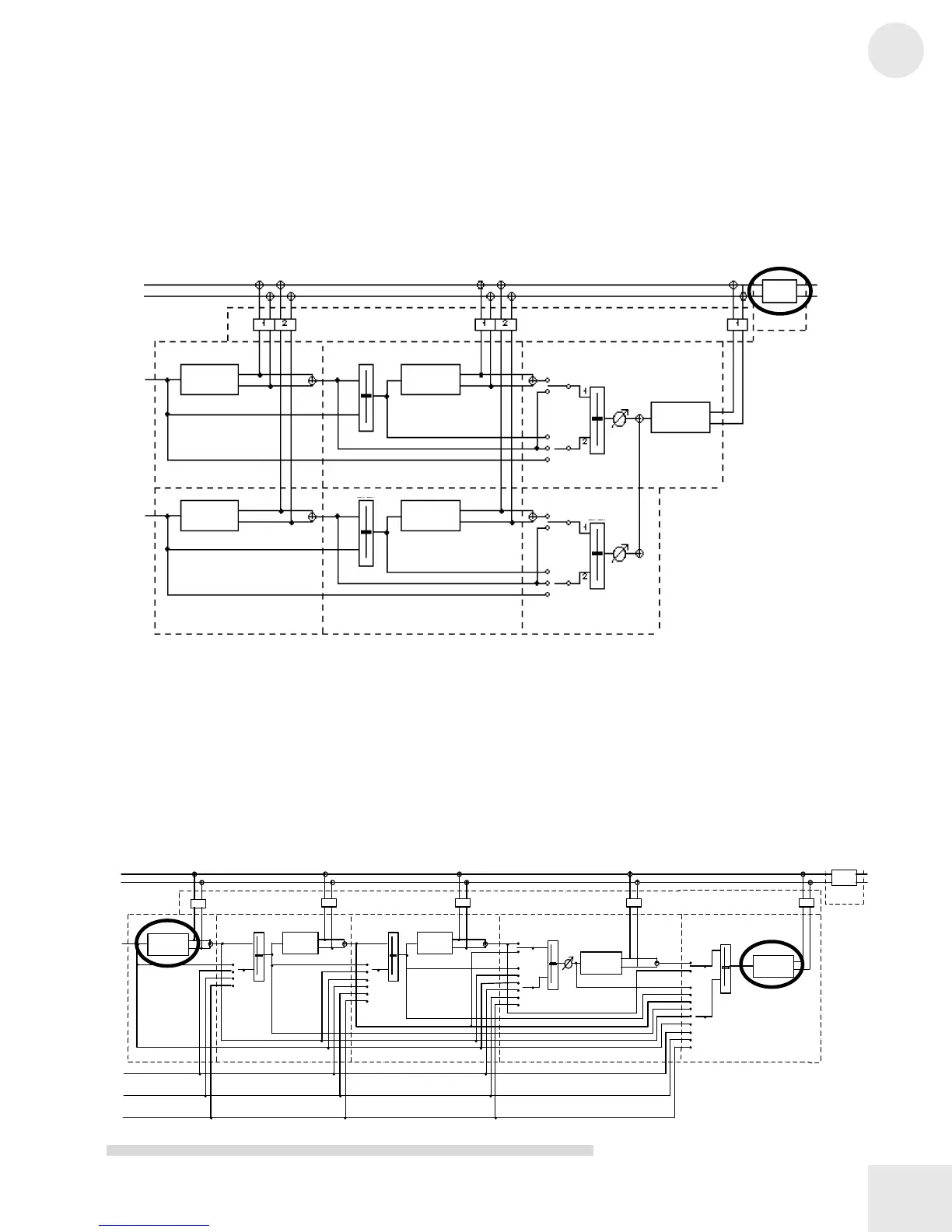
Configuration 4: 1 REVERB+EQ
This is another general-purpose Configuration with the bonus of having
a shelving EQ at the output.
This Configuration is similar to Configuration 1 (1 REVERB), except
that sends 3 and 4 have been removed, and there is a shelving EQ at the
main outputs. This EQ affects all sounds coming out of the QS outputs,
not just the effects output.
Configuration 5: OVERDRIVE+LEZLIE
This Configuration has a classic Overdrive distortion with Lezlie, useful
for guitar and organ sounds.
Send 1 has the Overdrive distortion, followed by a mono Pitch effect, a
Delay, a Reverb, then a Lezlie. This is summed with the main outputs
and sent through a shelving EQ.
Sends 2 through 4 have no effects of their own, but can feed the effects
of Send 1 at various points.
MAIN LEFT
MAIN RIGHT
MAIN LEFT
MAIN RIGHT
1
BAL.
FX SEND 1
MISC. 1
1
PITCH 1 REVERB 1
MIX
OVERDRIVE
FX SEND 2
FX SEND 3
FX SEND 4
PITCH 1
BAL.
1
DELA Y 1
BAL.
1
2
AMP
REVERB 1
1
BAL.
1
2
LEZLIE
DELAY 1
1
EQ
PITCH 1
MISC. 1
SEND1
SEND2
MAIN LEFT
MAIN RIGHT
PITCH1
PITCH2
DELAY1
DELAY2
DelSND/PCH
DelSND/PCH
REVERB
RvbInLevel
RvbIN1/IN2
RvbIN1/IN2
EQ
MAIN LEFT
MAIN RIGHT
SEND1
MAIN LEFT
MAIN RIGHT
SEND2
SEND3
SEND4
OVER
-
DRIVE
PITCH
DELAY
REVERB
LEZLIE
EQ
OUTPUT MIX SECTION
OUTPUT MIX SECTION
PchOVD/IN2
2
2
DelPCH/IN2
RvbIN1/IN2
2
1
2
1
LezIN1/IN2

Table of Contents

Related product manuals