EasyManua.ls Logo

Alesis S4 Plus - Page 95

Alesis S4 Plus
156 pages
Print Icon
To Next Page IconTo Next Page
To Next Page IconTo Next Page
To Previous Page IconTo Previous Page
To Previous Page IconTo Previous Page
Loading...
Chapter 7: Editing Effects
94 S4 Plus Reference Manual
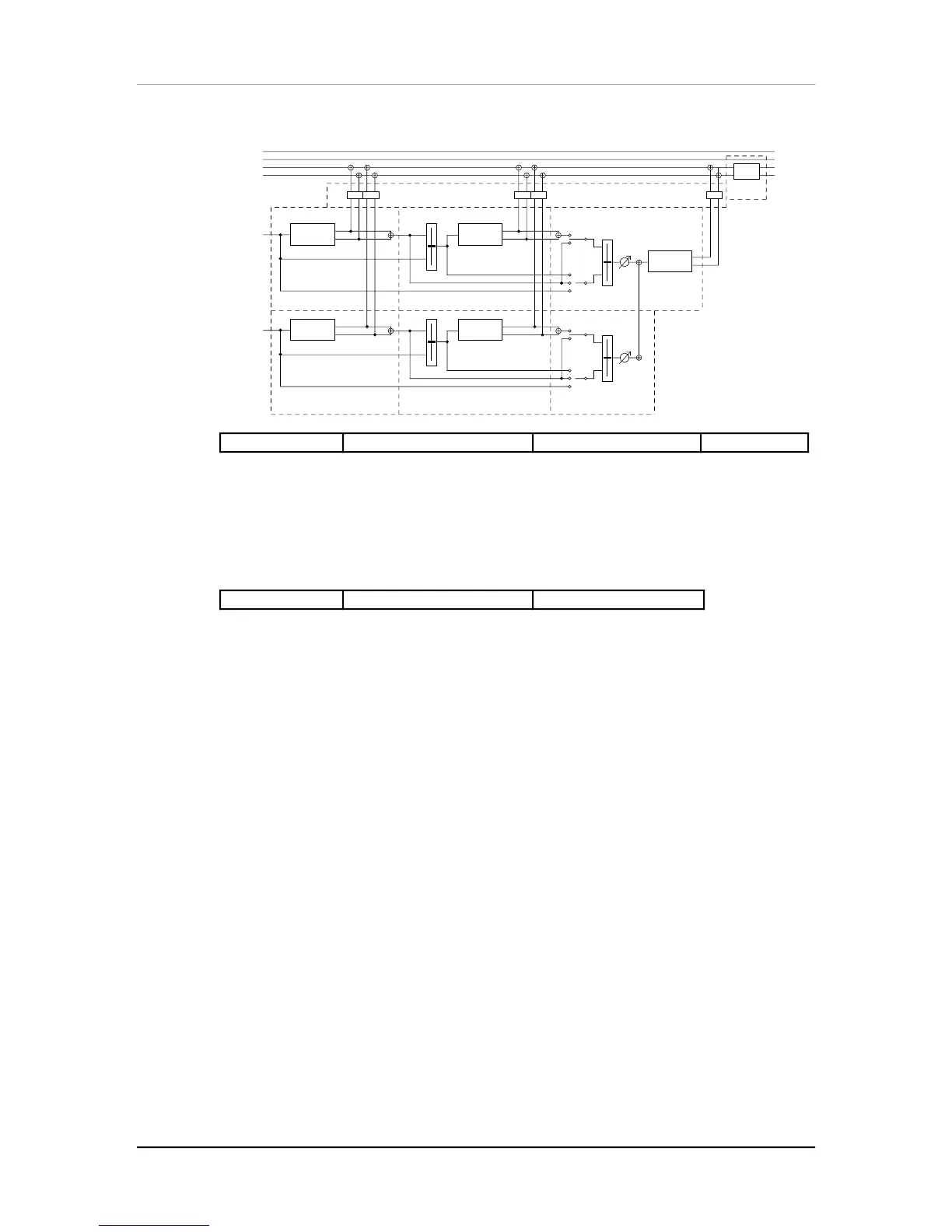
Configuration #4: 2-Sends, with EQ
AUX LEFT
AUX RIGHT
MAIN LEFT
MAIN RIGHT
AUX LEFT
AUX RIGHT
MAIN LEFT
MAIN RIGHT
12
PITCH 1
BAL.
FX SEND 1
PITCH 2
BAL.
FX SEND 2
PITCH 1
12
DELAY 1
DELAY 2
BAL.
1
2
BAL.
1
2
PITCH 2
DELAY 1
DELAY 2
REVERB 1
REVERB 1
1
EQ
REVERB 2
MIX
MISC
AMP
AMP
Pitch 1 Delay 1 Reverb 1 Misc. 1
Mono chorus Mono delay Plate 1 EQ
Stereo chorus Stereo delay Plate 2
Mono flange Ping-Pong delay Room
Stereo flange Hall
Pitch detune Large
Resonator Gate
Reverse
Pitch 2 Delay 2 Reverb 2
Mono chorus Mono delay Balance and level
Stereo chorus Stereo delay to Reverb 1
Mono flange Ping-Pong delay
Stereo flange
Pitch detune
Resonator
In this Configuration, note that Sends 1 and 2 are identical to that of Configuration #1.
However, Sends 3 and 4 have been removed. In their place, we have added a
shelving EQ module to the main outputs. This means you have bass and treble boost
controls for all sounds coming out of the main outputs (not just the sounds routed to
the Effects Sends).
J
If you are using Configuration #4, routing any of the Program’s Sounds to Send #s 3
or 4 will have no effect. In other words, it’s as if you routed channels of your mixing
console to effects sends that aren't connected to anything.
The MISC function is where you access the EQ parameters used in this
configuration. This can be selected in the same manner as any other function using
the FUNCTION [¨] and [Æ] buttons. The shelving EQ provides bass and treble boost,
and affects the entire main output.

Table of Contents

Related product manuals