EasyManua.ls Logo

alfaplam TERM -20 - 4. SAFETY AND RELIABILITY IN SOLID FUEL OPERATION; 5. SOLID FUEL PLACEMENT (INSTALLING); 5.1. INSTRUCTIONS FOR COMBUSTION AND VENTILATION

alfaplam TERM -20
18 pages
Print Icon
To Next Page IconTo Next Page
To Next Page IconTo Next Page
To Previous Page IconTo Previous Page
To Previous Page IconTo Previous Page
Loading...
2
4. SAFETY AND RELIABILITY IN SOLID FUEL OPERATION
The solid fuel for floor heating is constructed so that it enables maximum safety during operation.
Safety during solid fuel operation is provided in three ways:
- combustion regulator (thermostat) (fig. 1 pos.10), located in the ashtray door, which automatically closes the air intake in
the solid fuel firebox when the set water temperature in the boiler is reached,
-Thermal valve (thermal fuse) (Fig. 7, Item 13 and Fig. 7a) when installed in the heating system serves as a thermal fuse if
the solid fuel becomes overheated,
- safety valve (Fig. 7 and 8, Item 5) which MUST be installed on an R1/2" connection (Fig. 4, Item 4.)
NOTE:
Thermal valve and safety valve are not delivered with solid fuel, while the thermostat is installed on the solid fuel's ash pan
door.
5. SOLID FUEL PLACEMENT (INSTALLING)
- The solid fuel may be installed in the kitchen part or at some other convenient spot.
- An inflammable pad should be put under the solid fuel.
- If the pad is flammable (wood, plastic), place a tin plate that should protrude from the lateral sides with 10cm and 50cm
from the front side.
- The furniture and objects located in front of or close to the solid fuel must not be from flammable material.
If they are from flammable material, then the minimal distance from the solid fuel (Figure a).
- If a cupboard is installed above the solid fuel, the minimum distance between the solid fuel hob and the cupboard should
be at least 70cm.
- Flammable materials (for example wallpapers, frames, doors etc.) from the flue should be at a distance of at least 20cm.
This distance may be reduced if thermal insulation is placed on the flue pipe and the temperature of the surrounding objects
does not exceed 80°C.
- The solid fuel should be installed in horizontal position or slightly elevated from the back side (3-4mm).
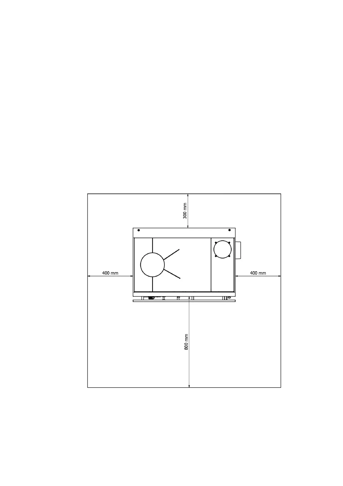
Figure a
All minimum safety distances are indicated on the product data plate, DO NOT use lower values than specified (see
INFORMATION ON CE MARKING).
5.1. INSTRUCTIONS FOR COMBUSTION AND VENTILATION
Combustion air must be supplied to the rooms where the range is installed. The room must be constantly ventilated.
An fresh air opening must be located in the lower part of the room and air should enter through it.
A) Supply of combustion air by means of a pipeline through the basement. This connection option leads to a preheating of
the combustion air, which is useful for a good and clean combustion. The installation of pipelines in the basement is simple.
B) Supply of combustion air through the basement. The combustion air is preheated. The basement space must be
separated from the ventilation system of the house and open to the outside. High levels of dust and moisture should be
avoided.

Related product manuals