EasyManua.ls Logo

Alinco DR-140TE2 - Top and Front Views Exploded

Alinco DR-140TE2
43 pages
Print Icon
To Next Page IconTo Next Page
To Next Page IconTo Next Page
To Previous Page IconTo Previous Page
To Previous Page IconTo Previous Page
Loading...
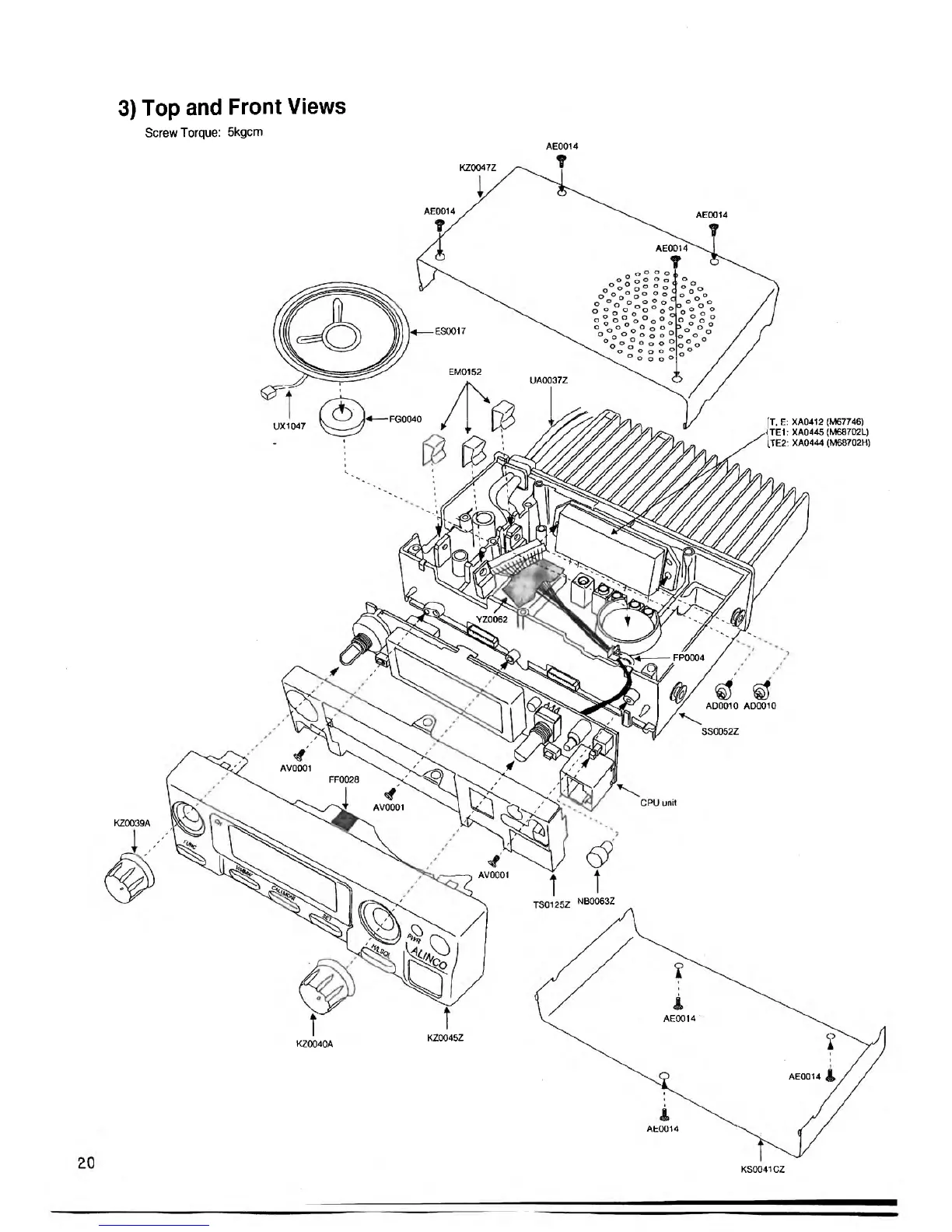
3) Top and Front Views
Screw Torque: 5kgcm
AE0014
KZ0047Z
AE0014
AE0014
AE0014
ES0017
EM0152
UA0037Z
FG0040
[T. E: XA0412 (M67746)
TE1: XA0445 (M68702L)
1.TE2: XA0444 (M68702H)
UX1047
YZ0062
FP0004
AD0010 AD0010
AV0001
FF0028
AV0001
KZ0039A
AV0001
NB0063Z
AE0014
KZ0045Z
KZ0040A
AE0014
A t O U 1 4
KS0041CZ

Related product manuals