EasyManua.ls Logo

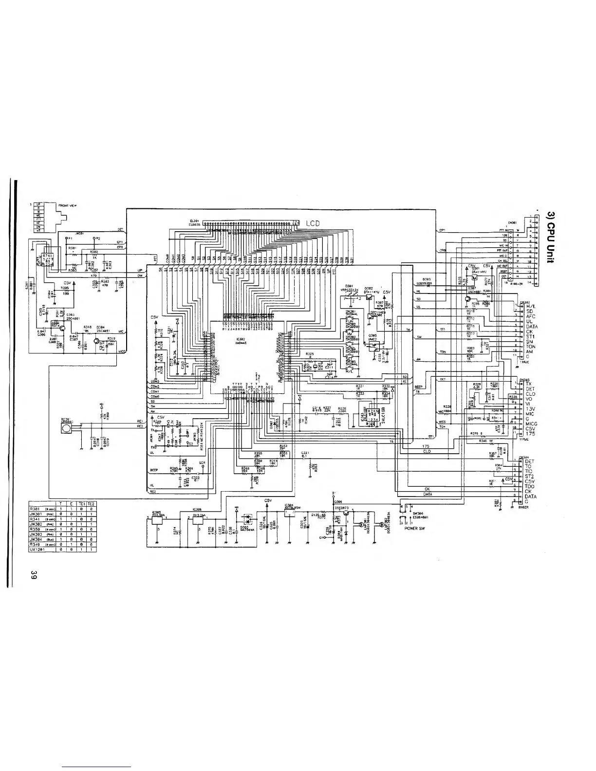
Alinco DR-140TE2 - Page 40

Alinco DR-140TE2
43 pages
Print Icon
To Next Page IconTo Next Page
To Next Page IconTo Next Page
To Previous Page IconTo Previous Page
To Previous Page IconTo Previous Page
Loading...
m CO
O
" ö
c
c
3
T
£
TE1 TE2
R301 (eoím)
1 l
0 0
JW301
(Pink)
0
0
1
1
R341 (8 Mini)
1 1
0
0
JW302
<PW0
0
0 1
1
R 350
(Ba m ) 1 ! 0 0
0
JW 3 03
(Pirk)
0 I 0
1
1
JW 30 4
(Bu.) 1
0 0
0
R 349
(6«m) 0 1 0
0
UX 12 0 1
0 0
1
1
03
CO

Related product manuals