EasyManua.ls Logo

Allen-Bradley 1756-IR12 - Page 94

Allen-Bradley 1756-IR12
226 pages
Print Icon
To Next Page IconTo Next Page
To Next Page IconTo Next Page
To Previous Page IconTo Previous Page
To Previous Page IconTo Previous Page
Loading...
94 Rockwell Automation Publication 1756-UM540E-EN-P - December 2017
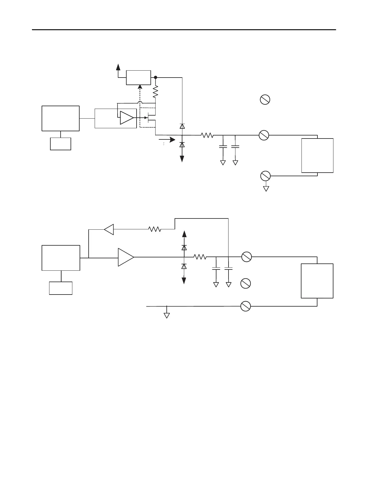
Chapter 5 1756-OF8I Isolated Analog Output Module
Figure 27 - 1756-OF8I Module Field-side Circuit with Current Output
Figure 28 - 1756-OF8I Module Field-side Circuit with Voltage Output
RTN-x
+V
OUT_x/V
D/A Converter
OUT_x/I
0.047 µF0.0022 µF
46
Current
Amplifier
Iout
-13V
Current
Output Device
0…1000
5V Vref
Power
Supply
RTN-x
+13V
OUT_x/V
D/A Converter
Gnd_x
5V Vref
OUT_x/I
4640
0.047 µF0.0022 µF
21
Voltage
Amplifier
Vout
Vsense
-13V
Voltage
Output Device
>1000

Table of Contents

Related product manuals