EasyManua.ls Logo

Alpine ALP150B - Page 112

Alpine ALP150B
152 pages
Print Icon
To Next Page IconTo Next Page
To Next Page IconTo Next Page
To Previous Page IconTo Previous Page
To Previous Page IconTo Previous Page
Loading...
112 103448-07- 1/16
Parameter Selections:
System Pump= “Central Heat ,
Optional Priority”
Boiler Pump = “any demand”
DHW Pump = “Primary Loop Piped IWH”
DHW Priority Enable is optional
Explanation:
This piping arrangement permits the
system pump to run or not run when
there is a domestic hot water call for heat.
Domestic hot water priority is optional.
It is permissible for the domestic and
system pumps to run at the same time.
The boiler pump must run for every call
for heat.
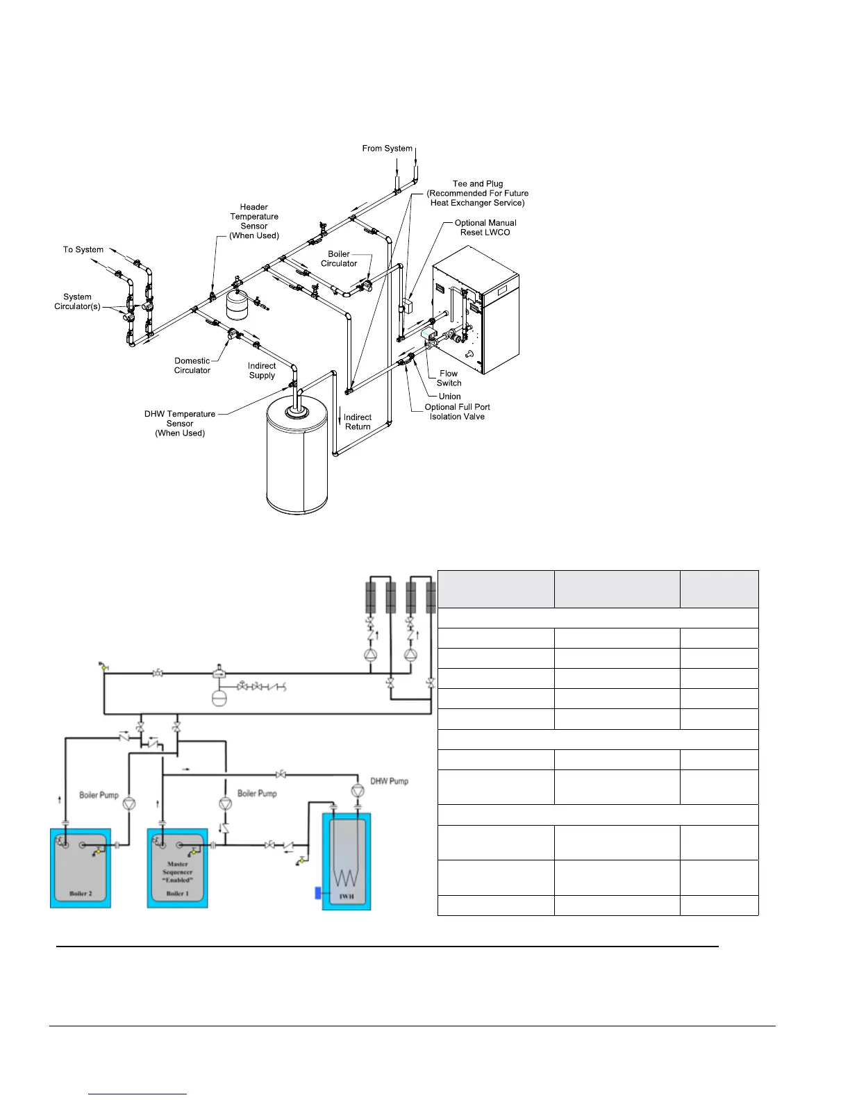
Multiple Boilers with Boiler Piped IWH, System and DHW Wired to Master
Example Pump Parameter selections (continued):
X. Operation F. Changing Adjustable Parameters (continued)
Single boiler Indirect Water Heater (IWH)Piped to Primary, Optional Domestic Hot Water Priority.
Sequencer Master
(Boiler 1)
Boiler 2
Wiring locations:
Thermostat X
DHW call for heat X
System pump X
DHW pump X
Boiler Pump X X
Sequencer Master Parameter Selections:
Sequencer Master Enabled
Indirect Water
Heater
“Boiler Piped”
Pump Parameter Selections:
System Pump =
Central Heat,
No Priority
Never
Boiler Pump =
Central Heat,
Off DHW Priority
Any
demand
DHW Pump = Boiler Piped IWH Never
Explanation:
Make sure indirect water heater and DHW pump are sized to maintain ow though boiler within limits shown in Table 12.
This piping arrangement does not allow both the Slave 1’s boiler and domestic hot water pump to run at the same time.
When call for Domestic Hot Water is received the DHW pump is turned on and the boiler pump is turned off. However, the
system pumps may run to satisfy a central heat demand that is being satised by a different slave. The central heat demand
is ignored by Slave 1 until the domestic hot water demand is ended. If domestic hot water priority is enabled and priority
protection time is exceeded the domestic hot water pump turns off to allow the boiler pump to run.

Table of Contents

Related product manuals