EasyManua.ls Logo

Alpine iXA-W404E - Connecting External Equipment

Alpine iXA-W404E
64 pages
Print Icon
To Next Page IconTo Next Page
To Next Page IconTo Next Page
To Previous Page IconTo Previous Page
To Previous Page IconTo Previous Page
Loading...
60-EN
01GB07iXA-W404E.fm
ALPINE iXA-W404E 68-14470Z14-A (EN)
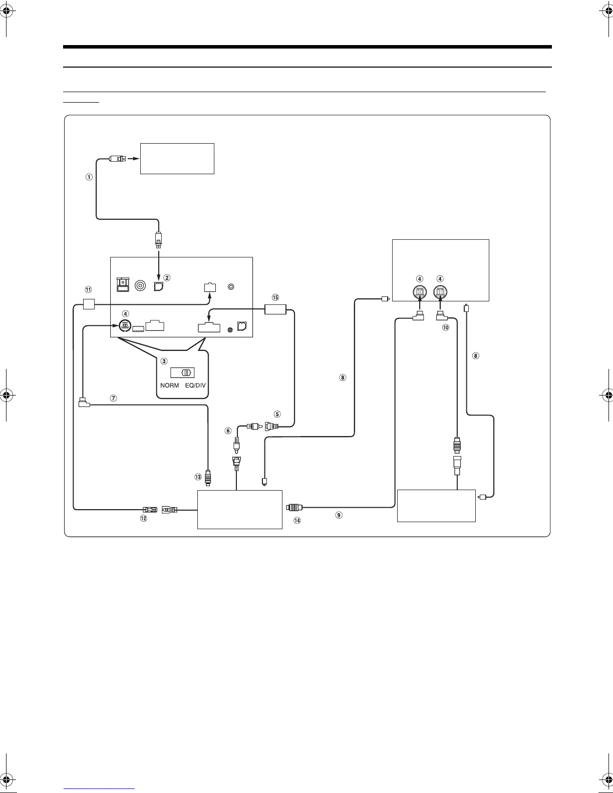
System Example
Connect the Ai-NET compatible audio processor (Fiber optic digital compatible), Navigation system, DVD player and
changer.
Please observe the following when using Fiber Optic Cable (Optical Digital Cable).
Do not coil the Fiber Optic Cable smaller than a 30 mm radius.
Do not place anything on top of the Fiber Optic Cable.
Be careful not to bend the Fiber Optic Cable at a sharp angle.
Navigation system
(Sold Separately)
Audio Processor (Ai-NET)
(Fiber Optic Digital
compatible) (Sold
Separately)
Fiber optic digital
Input terminal (for
DVD Player)
Ai-NET
cable
Fiber optic digital
Input terminal (for
Changer)
*Fiber optic cable
Ai-NET
cable
CD Changer
(Ai-NET)
(Sold Separately)
*Only connect fiber optic digital compatible CD Changer
DVD Video Player
(Ai-NET)
(DVA-5210 etc.)
(Sold Separately)
Fiber optic
cable
REMOTE IN
REMOTE OUT
(White/Brown)
(White/Brown)
(Yellow)
Ai-NET cable
01GB00iXA-W404E.book Page 60 Tuesday, March 3, 2009 5:01 PM

Table of Contents

Related product manuals