EasyManua.ls Logo

Amada HFA-250 - HFA-400 and HFA-400 W Machines

Amada HFA-250
174 pages
Print Icon
To Next Page IconTo Next Page
To Next Page IconTo Next Page
To Previous Page IconTo Previous Page
To Previous Page IconTo Previous Page
Loading...
I-4
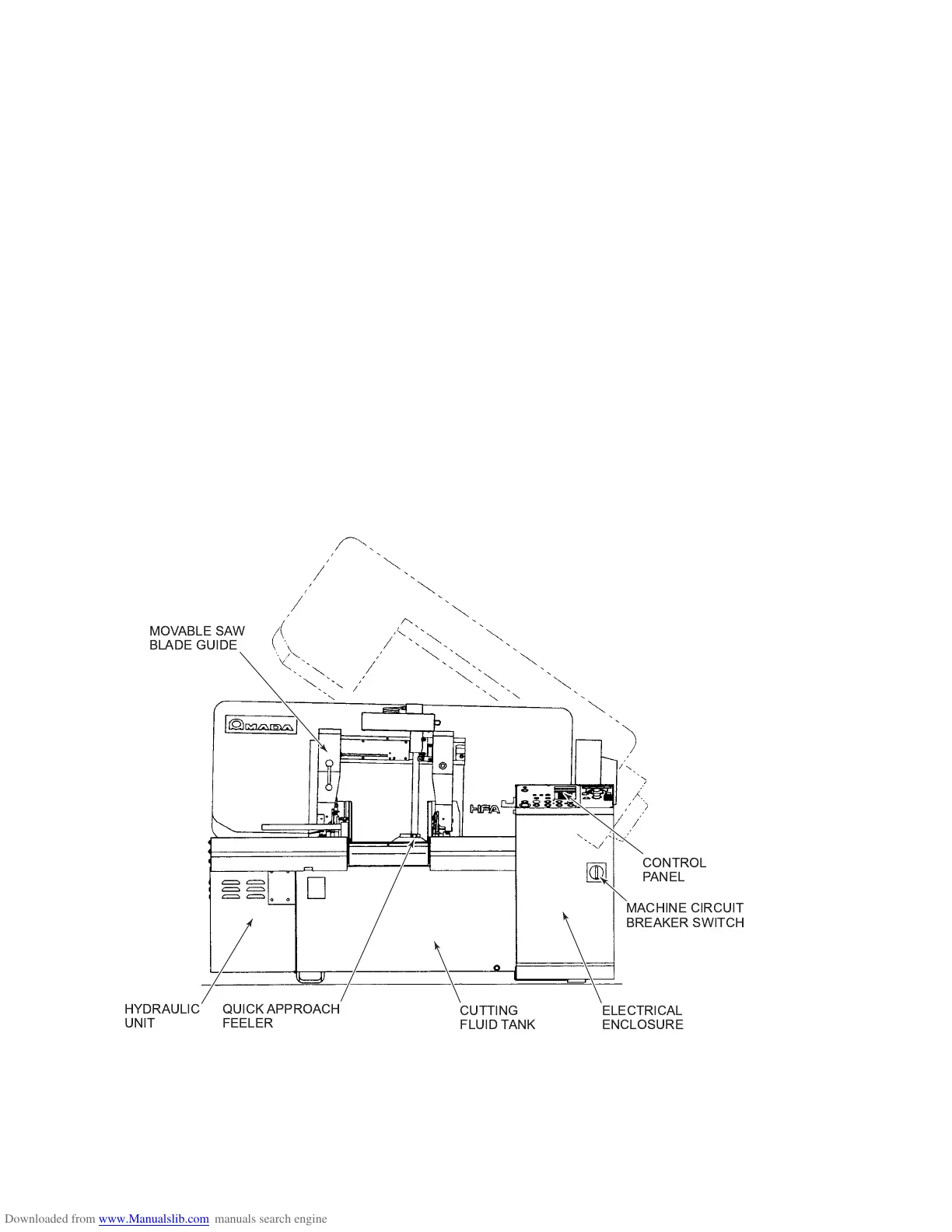
HFA-400 and HFA-400W machines




 
 


 
 
 


 

Table of Contents

Related product manuals