EasyManua.ls Logo

AMF Reece S-101 - Machine Adjustments - Corrective and Maintenance; Needle Bar and Race Line Up

Default Icon
60 pages
Print Icon
To Next Page IconTo Next Page
To Next Page IconTo Next Page
To Previous Page IconTo Previous Page
To Previous Page IconTo Previous Page
Loading...
S-101
e-mail: service@amfreece.cz; parts@amfreece.cz; website: www.amfreece.com
Phones: +420 582 309 146+ (Service), +420 582 309 286 (Spare Parts); Fax: +420 582 360 606
Revised 09/2004
1-12
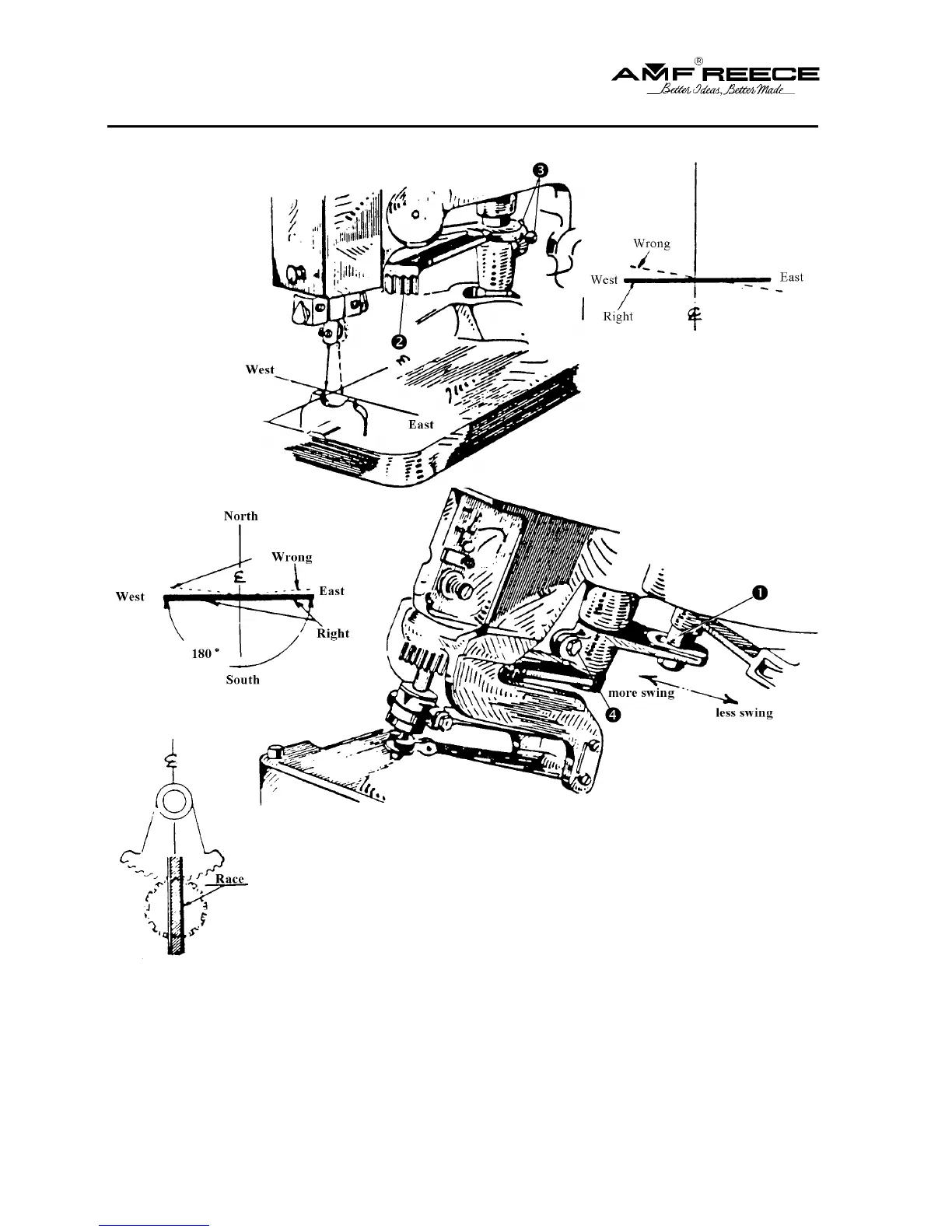
NEEDLE BAR AND RACE LINE UP ADJUSTMENTS
Adjustment # 3
Vibration in line
with race
adjustments.
Adjustment # 2
For squareness of race
east and west across bed
plate.
Adjustment # 1
For 180
o
turn of race
It is imperative that the race swing east - west is only 180
o
(# 3). It is
imperative that this 180
o
be square with the center line of the bed
plate (# 2). Also the needle bar assembly must vibrate squarely “east
and west” in harmony with the race (# 3).
To proceed with these adjustments, follow this sequence:
1. Adjust stud n to obtain adjustment # 1.
2. Loosen clamp screw q to obtain adjustment # 2.
3. Recheck adjustment # 1 - if wrong repeat adjustment # 2 and #
1 until they are reconciled.
4. When these adjustments are correctly, adjust the needle bar
assembly “east - west” in harmony with the race by loosening
screws p in sector B (# 3).
When assembling sector mesh
the teeth on sector with race
„north - south“ as in Fig. # 1
and # 4 so that sector teeth will
not disengage gear teeth at
either end of sewing
Adjustment # 4
MACHINE ADJUSTMENTS - CORRECTIVE AND MAINTENANCE

Table of Contents

Related product manuals