EasyManua.ls Logo

anko HLT-700 - CIRCUIT DIAGRAMS

anko HLT-700
64 pages
Print Icon
To Next Page IconTo Next Page
To Next Page IconTo Next Page
To Previous Page IconTo Previous Page
To Previous Page IconTo Previous Page
Loading...
42
ANKO-OME-0005(A1)
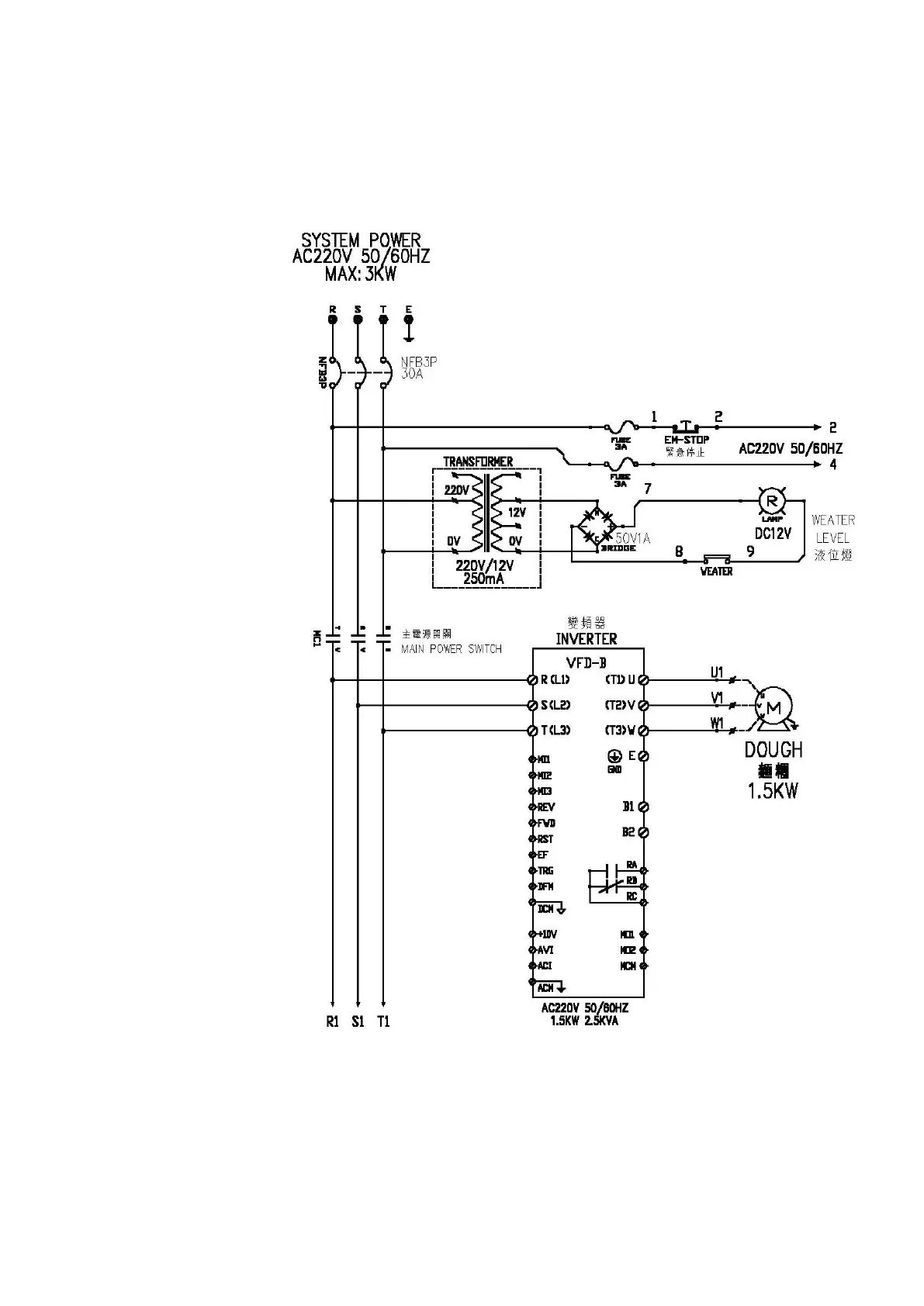
13. CIRCUIT DIAGRAMS
1. 220V