EasyManua.ls Logo

Anritsu Sire Master S331D - Introduction

Anritsu Sire Master S331D
102 pages
Print Icon
To Next Page IconTo Next Page
To Next Page IconTo Next Page
To Previous Page IconTo Previous Page
To Previous Page IconTo Previous Page
Loading...
Chapter 2
Functions and Operations
Introduction
This chapter provides a brief overview of the Site Master functions and operations, provid-
ing the user with a starting point for making basic measurements. For more detailed infor-
mation, refer to the specific chapters for the measurements being made.
The Site Master is designed specifically for field environments and applications requiring
mobility. As such, it is a lightweight, handheld, battery operated unit which can be easily
carried to any location, and is capable of up to 1.5 hours of continuous operation from a
field replaceable battery for extended time in the field. Built-in energy conservation
features allow battery life to be further extended. The Site Master can also be powered by
an external DC source. The external source can be either the Anritsu AC-DC Adapter
(P/N 40-168-R) or the Automotive Cigarette Lighter Adapter (P/N 806-141).
Both items are standard accessories.
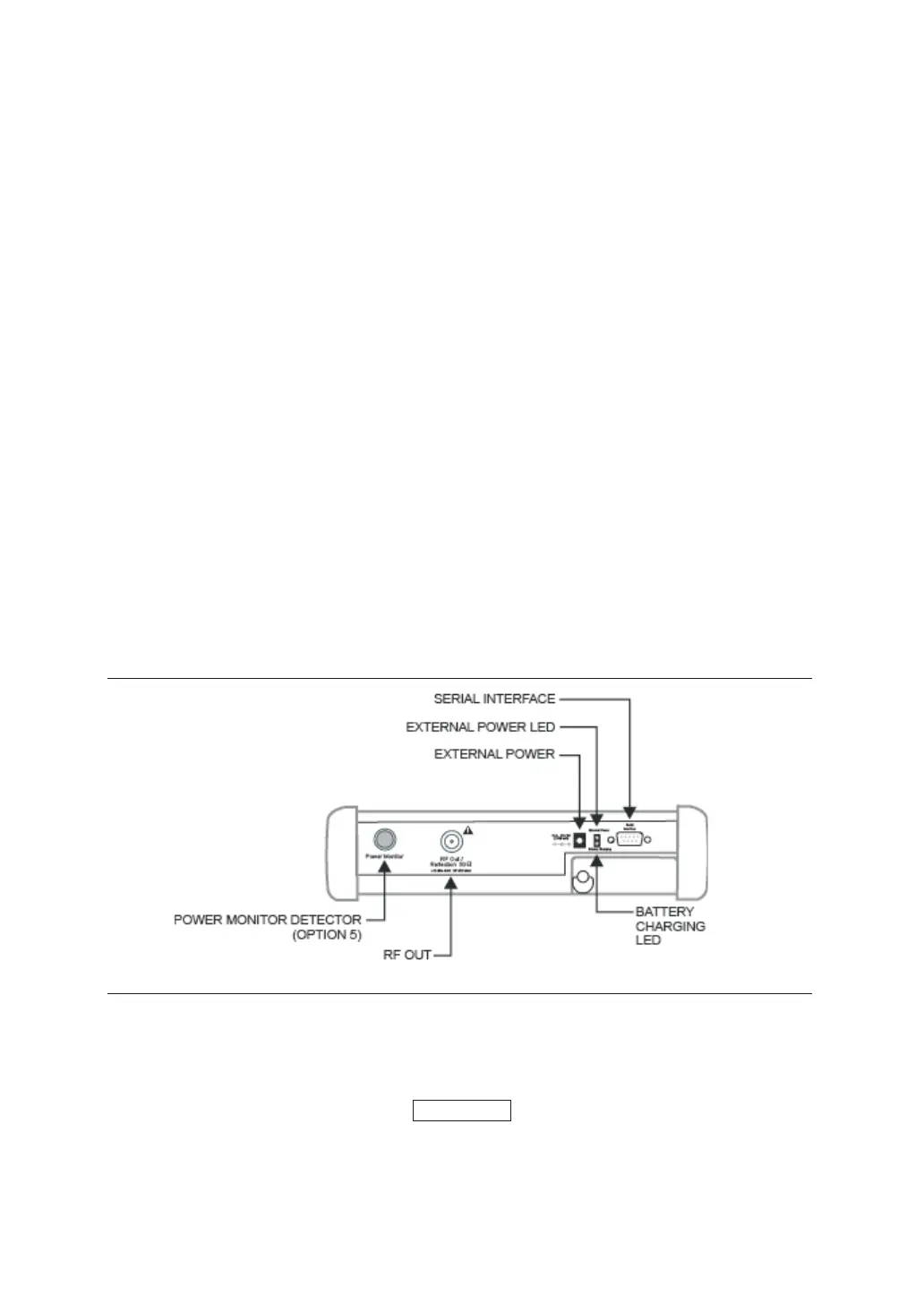
Test Connector Panel
The connectors and indicators located on the test panel (Figure 2-1) are listed and described
below.
12-15VDC
(3A)
12 to 15 Vdc @ 3A input to power the unit or for battery charging.
WARNING
When using the AC-DC Adapter, always use a three-wire power cable connected
to a three-wire power line outlet. If power is supplied without grounding the equip
-
ment in this manner, there is a risk of receiving a severe or fatal electric shock, or
damaging the equipment.
2-1
Figure 2-1. Test Connector Panel

Related product manuals