EasyManua.ls Logo

APC 250 - Computer Interface Port Details

APC 250
44 pages
Print Icon
To Next Page IconTo Next Page
To Next Page IconTo Next Page
To Previous Page IconTo Previous Page
To Previous Page IconTo Previous Page
Loading...
25
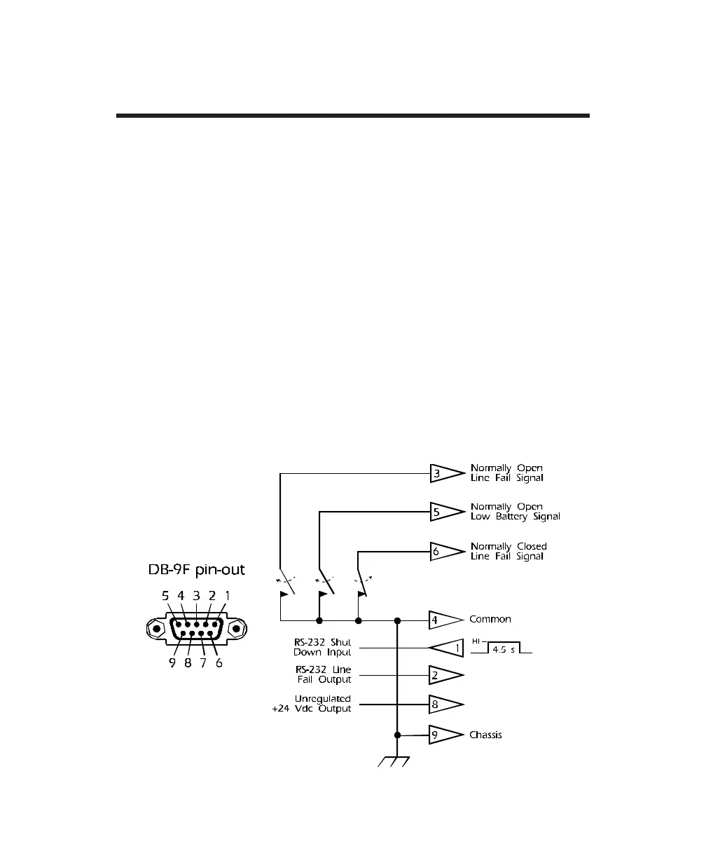
6.4 Computer Interface port
The Computer Interface port is diagramed below. Those with technical
abilities wishing to use this port in a special application should be aware of
the following limitations and capabilities of the interface.
Outputs at Pins 3, 5, and 6 are open collector outputs which must be
pulled up to a common referenced supply no greater than +40 Vdc. The
transistors are capable of a maximum noninductive load of 25 mAdc. Use
only Pin 4 as the common.
The output at Pin 2 generates a low-to-high RS-232 level upon transfer
of the output load to UPS battery power. The pin is normally at a low
RS-232 level.
The UPS shuts down when a high RS-232 level is applied to Pin 1 for 4.5
seconds. The UPS responds to this signal, after a delay, only during on-
battery operation.
An unregulated +18 Vdc appears at Pin 8 of the interface port whenever
the UPS is powered. The supply is limited to 40 mAdc maximum.
6.0 UPS Monitoring

Related product manuals