EasyManua.ls Logo

arcweld 180C MIG - Schematic Wiring Diagram

Default Icon
25 pages
Print Icon
To Next Page IconTo Next Page
To Next Page IconTo Next Page
To Previous Page IconTo Previous Page
To Previous Page IconTo Previous Page
Loading...
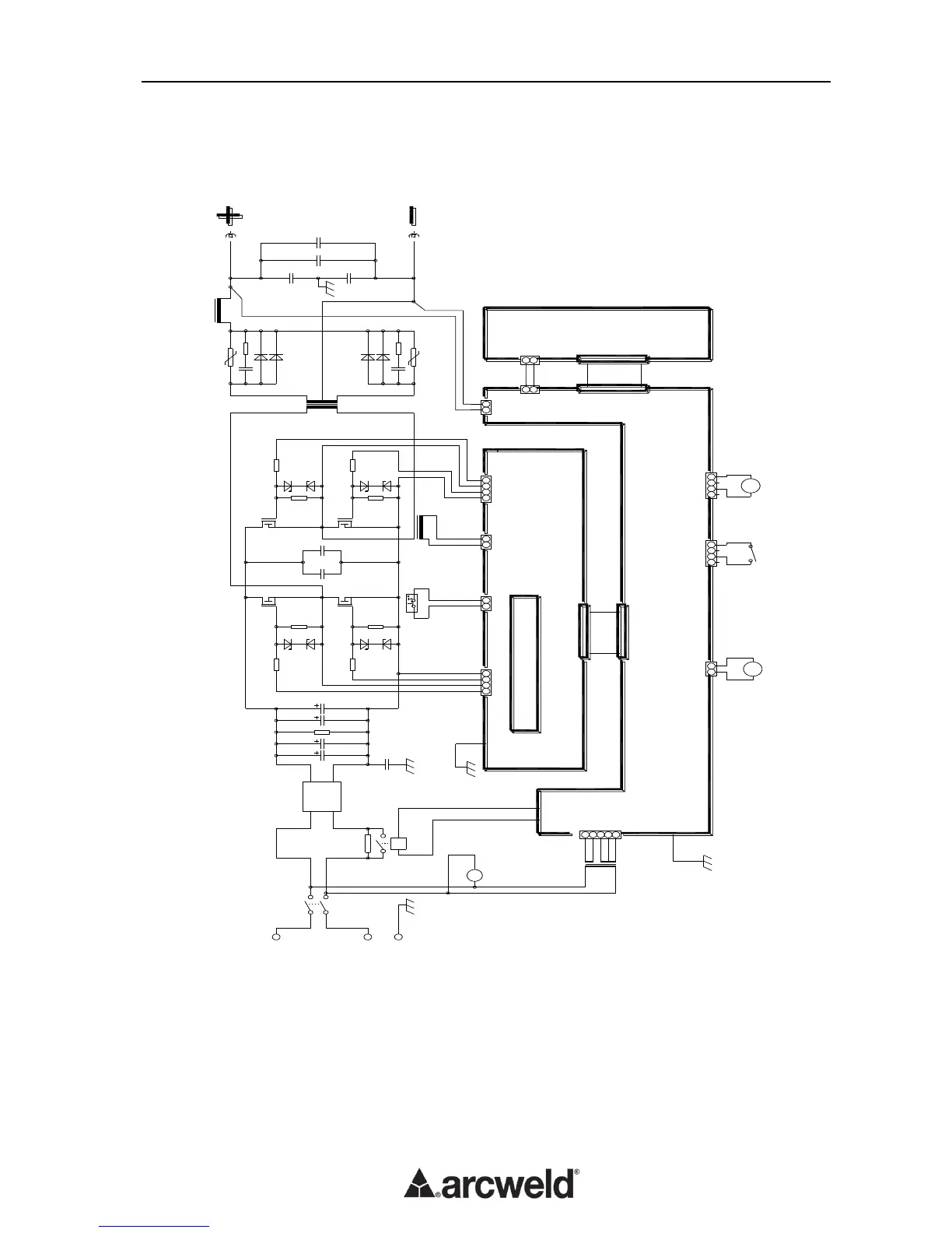
J-1 SCHEMATIC WIRING DIAGRAM J-1
This diagram is for reference only, no notification of changes will be issued
4321
4321
F
FAN1
CT1
21
CN201
21
CN101
5
4
3
2
1
220:23+23|19/15VA
T101
PE
N
L
16A/250Vac
SW101
RLY101
R101
C14C13
C12
C11
C15
TH1
CT1
L2
YR2
YR1
R8
R7
C10
C9
D6
D7
D5
D4
T3
B1
4
-
3
+
2
AC
1
AC
C4C3C2C1
RG7
RG5
RG3
RG1
ZD8
ZD7
ZD6
ZD5
ZD4
ZD3
ZD2
ZD1
T-
T+
RG8
RG6
RG4
RG2
R1
C5 C6
Q4
Q3
Q2
Q1
MIG 200 PWR
DigiMIG-001
AC220~240V 50/60Hz
4
1
2
3
2
1
4
1
2
3
1 2
CN3
CN4
M
QF
CN2
CN5
CN301
DigiMIG-002
2
1
CN203
1
2

Related product manuals