EasyManua.ls Logo

Argus green stream 707 - Wiring Diagram; Block Schematic

Argus green stream 707
38 pages
Print Icon
To Next Page IconTo Next Page
To Next Page IconTo Next Page
To Previous Page IconTo Previous Page
To Previous Page IconTo Previous Page
Loading...
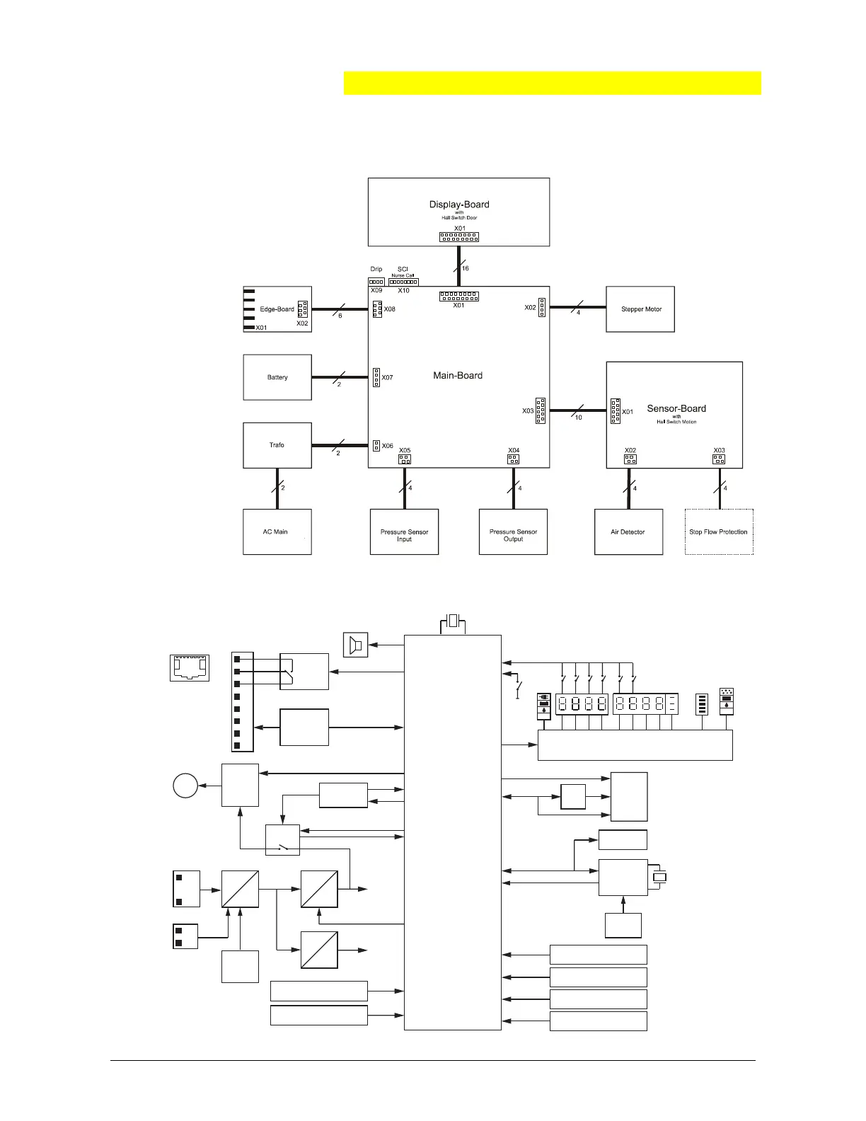
WIRING DIAGRAMM
14.164.A_A707en.SM.V1.01.doc ARGUS Medical AG 10.02.04 AS 37 / 38
8. WIRING DIAGRAMM
9. BLOC SCHEMATIC
FLASH
Buzzer
Ni-Cd
Akku 12V
Reset +
Watchdog
Alarm
RS232
Relay
Nurse-call
EEPROM
RTC
Latch
AC
DC
DC
DC
100
10
0,1
Mode
Start/Stop
DC
DC
+ 24V
(Motor +
Buzzer)
+5V
(Logic)
Controller
Display
Driver
Motion Control
Door Control
Pressure Sensor (in)
Pressure Sensor (out)
1
Motor
Driver
Motor
Switcher
On/Off
KVO
DOOR
ml total
h. min
ml inf.
512 Hz
Li-Batt.
3 Volt
RS-232
IC
2
Pressure
AC Main
Ext. DC
Power Switch Test
Air Bubble Detector
Drop Detector
2
1
3
1
8