EasyManua.ls Logo

Astra Pro - Page 29

Default Icon
34 pages
Print Icon
To Next Page IconTo Next Page
To Next Page IconTo Next Page
To Previous Page IconTo Previous Page
To Previous Page IconTo Previous Page
Loading...
28
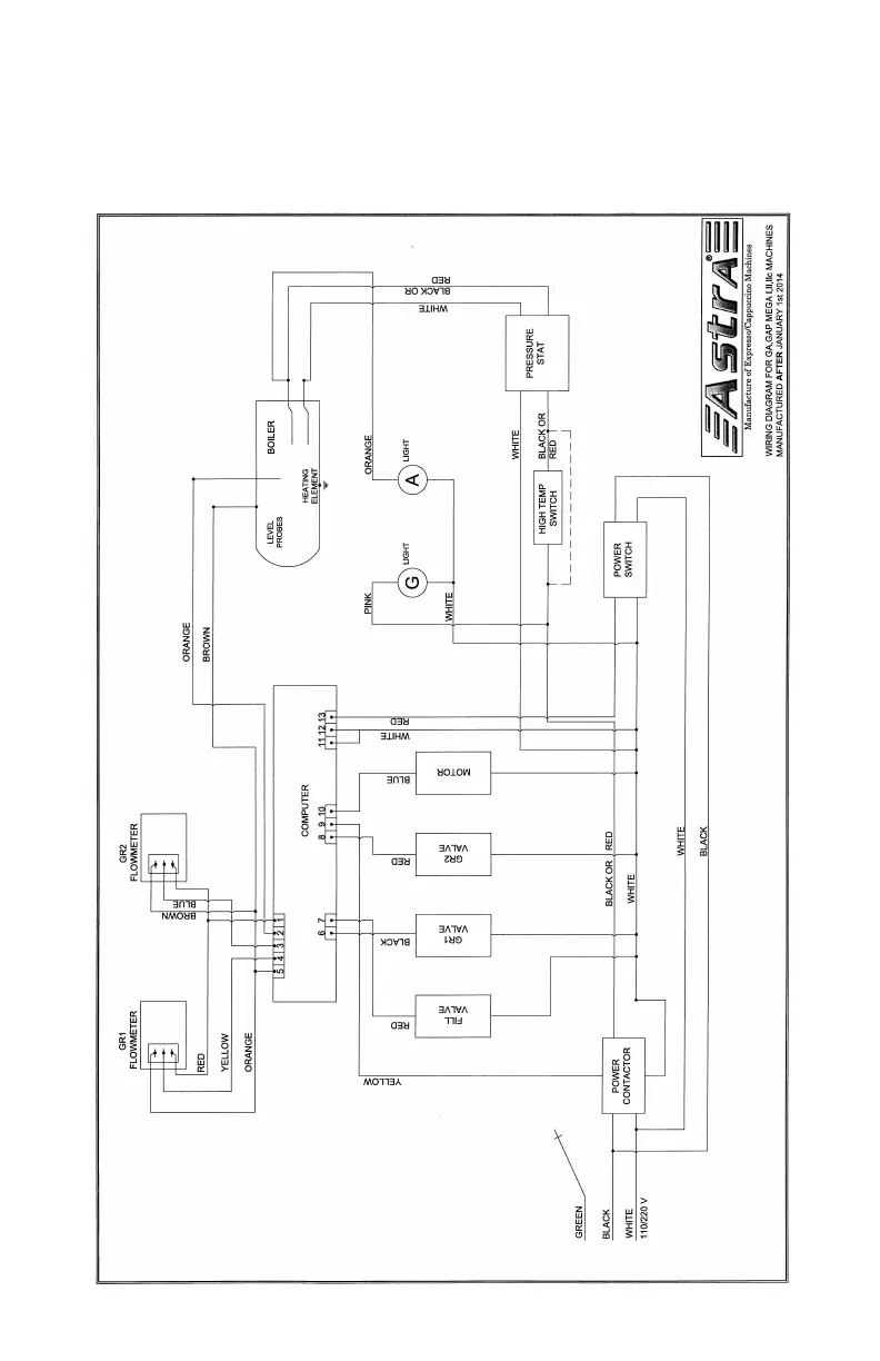
U. Figure 4B - Automatic Espresso Machine
Wiring Diagram
Manufactured AFTER January 1st, 2014
with SILVER color touch pad.

Related product manuals