EasyManua.ls Logo

ATEC-PANDA 2188 - 4. Signal flow Diagram

Default Icon
61 pages
Print Icon
To Next Page IconTo Next Page
To Next Page IconTo Next Page
To Previous Page IconTo Previous Page
To Previous Page IconTo Previous Page
Loading...
14
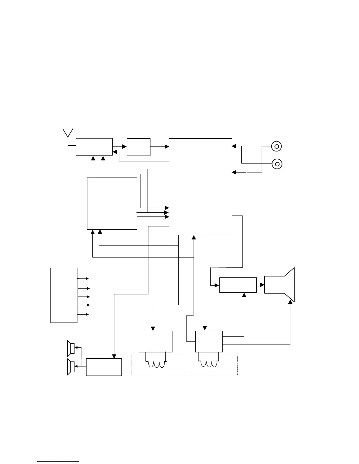
4. Signal flow Diagram
This TV set Consist of main chip LA76814 controlled by Sanyo I
2
C bus and CPU LC863232A .
LA76814 is IC dedicated for NTSC, integrated following circuits inside: amplifying and detecting
in intermedium frequency, AFC, demodulating of sound intermedium frequency, brightness delay-line,
filtering and demodulating of color signal, processing of horizontal-vertical small signals.
TDA7056B is used for power amplifier of sound signal.
LA7840 is used for vertical power amplifier.
The detailed signal flow diagram is shown as follows:
Signal block diagram
V IN EXT AUDIO IN
RF AGC
VEDIO OUT EXT V IN
SELECT V OUT
N201 LA76814
SECAM R-
Y
I
N
SECAM B-Y IN
SDA
SCL
RGB_IN
R/G/B/OUT
BAND1
BAND2
N101 CPU
LA8632XXX
SD
A
SCL
R/G/B OUT
H V
TUNER
SAW
CRT PCB
CRT
A I
V I
H IN
H OUT
V IN
N401
LA7840
DY
SCREEN/
FOCUS
EHT
117V
POWER
UNIT
180V
15V
26V
5V
N304
TDA7056B
Signal flow diagram

Table of Contents