EasyManua.ls Logo

Atlas Copco XATS 67 DD

Atlas Copco XATS 67 DD
72 pages
To Next Page IconTo Next Page
To Next Page IconTo Next Page
To Previous Page IconTo Previous Page
To Previous Page IconTo Previous Page
Loading...
20
Instruction Manual
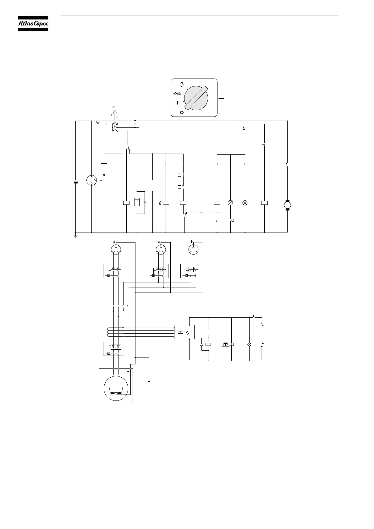
2.8.2 CIRCUIT DIAGRAM XAS 67 DDG - XAS 130 DD7G, XAS 97 DDG - XAS 185 DD7G
(G
ENERATOR DDG 110V WITHOUT AUTOMATIC CONTROL SYSTEM)
(Not on HardHat)
10
12 12 12 12 12 12 12
V2
h
V1
12
12
K2
S4
K2
H1
H2
K1
S5
K3
K4
S1
F1
K4
G1
G2
K0
P1
Y1
K3
S3
S2
K0
M1
M
+
B+
D+
D-
6'
7
6
17
19
22 23
10A
5
30
31
33
32
1
2
3
4
15
16
18
83 3 3 3
35
34
12'
27
26
3'
4'
14
12
2'
1'
7'
8'
15
12
4
99 9 11
13
10
11
14'
15'
13'
5
3
29
28
25
24
9
7
8
6
20
21
(Lamp-
tester)
General
alarm
K1
Temp
5'
12V DC
0
p
9',10',11'
0
1
2
3
13
Auxiliary
To Circuit diagram
9822 1055 27
S1
3
2
1
0
X3
3L1
3L2
L2L1
16A
e54
c0c0
X2
L2L1
16A
H3
A1
A2
K5
52
51
S7
P
B
R
Y2
K5
1
2
3
4
V
W
V1
W1
1L1
1L2
2L1
2L2
50A
Q1
b3
G
G3
VW
14
12
3
13
b6 b6
12
b6
b3
To Circuit diagram
9822 0797 01
b6
b3
13
12
12
b3
13
35
34
e54
c0c0
e54
e0e0
f0f0
f0f0
e0e0
e0e0
e0e0
e54
5
6
7
8
X1
L2L1
32A
32A
Q2
16A
Q3
16A
Q4
13
b3
L1
L2
b6
12
b3
I n
30mA
40msec
4
5
6
7
10
11
1
3
N13
D1
e0
e0
1
2
3
4
T13
EARTHING PIN
The compressor is equipped with a negative earthed system
For location of relais K1, K2, K3, K4, see paragraph 2.8.1
Fig. 2.6 Circuit diagram (No. 9822 0797 01 + No. 9822 1055 27)
D1 Diode
F1 Circuit Breaker (10A)
G1 Alternator
G2 Battery
G3 Generator
H1 Temperature Alarm Lamp
H2 General Alarm Lamp
H3 Lamp (Power ON)
K0 Starter Solenoid (part of M1)
K1 Shut-down Relay
K2 Blocking Relay
K3 Override Start Relay
K4 Start Relay
K5 Contactor
M1 Starter Motor
N13 Earth faultcurrent relay
P1 Hourmeter
Q1 Main circuit breaker 2-pole
Q2 Circuit breaker 2-pole
Q3 Circuit breaker 2-pole
Q4 Circuit breaker 2-pole
S1 Contact Switch (Off-On-
Override-start)
S2 Temperature Switch Engine
S3 Oil Pressure Switch Engine
S4 Lamptest Switch
S5 Temperature Switch
Compressor
S7 Switch (Generator-compressor)
T13 Current transformer for N13
V1 Diode
V2 Diode
X1 Socket outlet
X2 Socket outlet
X3 Socket outlet
Y1 Fuel solenoid Valve
Y2 Solenoid valve (Generator
action)

Table of Contents

Related product manuals