EasyManua.ls Logo

Atom S100 Series - Page 20

Atom S100 Series
21 pages
Print Icon
To Next Page IconTo Next Page
To Next Page IconTo Next Page
To Previous Page IconTo Previous Page
To Previous Page IconTo Previous Page
Loading...
60
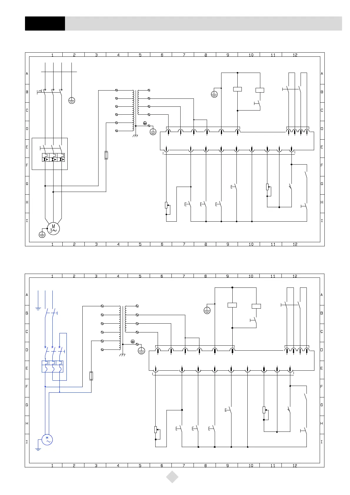
Motore trifase e selettore di potenza / Three- phase motor and cutting power selector / Moteur triphasé et lecteur de puissance /
Dreiphasenmotor und Dreifache Druckknöpfe / Motor trifásico y selector de pressión / Motor trifásico e quadro com três botões.
Fig. 30
0 V
30V
24V
0 V
16
53 4 9 10 11
380V
6
205V
220V
240V
415V
110V
17
1
2
3
4
7
8
QS1
M1
0,75kW
TC1
140VA
R1
R2
SQ1
D1
20A
21A
SA1
X1
4
X1
1
X1
2
X1
3
X1
6
X1
5
X1
7
X1
8 9
7
7777
SB1 SB2 SB3
SB4
U1 V1 W1
12
1
6
3
2
4
5
QM1
U V W
U1
V1
FU1
1A
2
L1 L2 L3 PE
Protective device
available on demand
Limitof switchgear.
Protectivedeviceto be providedbythe users.
24
14
1514
1617
YV1
X2
4
X2
1
X2
3 5
X2
6
+24Vdc
X2
2
SA1
D1
4A
3A
SA2
X5
1 2 3
X5
4
30 31 32 33
12
Motore monofase e selettore di potenza / Single- phase motor and cutting power selector / Moteur monohasé et lecteur de puissance/
Einphasenmotor und Dreifache Druckknöpfe/ Motormonoásico y selector de pressión/ Motor monofásico e quadro com três botões.
Fig. 31
1
3
1 3
N LPE
2
4
5
VU V2
U1 V1V2
1
1.1 kW
M1
QM1
QS1
2
4 6
0 V
30 V
24 V
0 V
16
53 4 9 10 11
380V
6
205V
220V
240V
415V
110V
17
TC1
140VA
R1
R2
SQ1
D1
20A
21A
SA1
X1
4
X1
1
X1
2
X1
3
X1
6
X1
5
X1
7
X1
8 9
7
7777
SB1 SB2 SB3
SB4
12
U1
V1
FU1
1A
2
24
14
1514
1617
YV1
X2
4
X2
1
X2
3 5
X2
6
+24Vdc
X2
2
SA1
D1
4A
3A
SA2
X5
1 2 3
X5
4
30 31 32 33
12
1127 Schema elettrico / Wiring diagram / Schéma des connexions / Stromkreis / Diagrama de
conexión / Esquéma elèctrico
S100

Related product manuals