EasyManua.ls Logo

ATTACK EKO - Electrical Installation Guide (ATTACK EZ); Electrical Installation Guide (ATTACK E)

ATTACK EKO
28 pages
Print Icon
To Next Page IconTo Next Page
To Next Page IconTo Next Page
To Previous Page IconTo Previous Page
To Previous Page IconTo Previous Page
Loading...
| 21
CAST IRON FLOOR STANDING GAS BOILER





/1
]å
)
/




/
1


3(
-
-
-
-
-
5±N:
KP P K P K
W
W
UU
K
P
P
K
PKK
þ
þ
P
P
K
K
P
]å
0
KP KKPK
PK
]å
K
K
P
K
K
K
þ
P
K
]å
K
P
K
K
]å
K
K
K
K
þ
þ
K
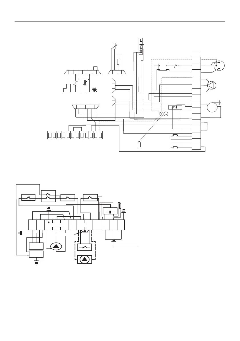
Connecting the electrical installation of the ATTACK EZ boiler
Connecting the electrical installation of the ATTACK E boiler
ATTENTION:
Connect the TP (room ther-
mostat), eventually the TV
(three-way valve) as well into
the terminals 7 and 8.
Remove the interconnection!
DESCRIPTION:
A – automatics V 4100Q
TP – room thermostat
C – capacitor
A1 – two-stage regulator of
automatics
V – main switch
TK – boiler thermostat PRODIGY
OČ – circuit pump
PR – output switch
HT – emergency thermostat
with reset
ST – flue gas thermostat with reset
TV – three-way valve Honey-
well VC4613
O – orange conductor of the
three-way valve
S – grey conductor of the
three-way valve
a9+]
3(
818
8
1
818
$
$
+7
7.
9
&
2ý
67
79
62
33
ý(53$'/2
73
 
 




73
Grounding of
the controller
* Note: if the D.H.W. tank is not connected, it is necessary to remove the sensor of the tank
and to replace it with the interconnection!
Three-way
valve
Room
thermostat
Pump Mains supply
Terminal
Boiler thermostat
Potentiometer
Mains
switch
Terminal of the gas valve’s electronics
Sensor of
heating
Connector of
modulator
Sensor of
the tank
summer / winter
Filter
Emergency thermostat
with reset
Flue gas thermostat
with reset
DESCRIPTION:
č – Black
m – Blue
h – Brown
z/ž – Yellow-green
PUMP
Interconnection

Table of Contents

Related product manuals