EasyManua.ls Logo

AUMA SA 25 - Dimension Sheet, Compact

AUMA SA 25
44 pages
Print Icon
To Next Page IconTo Next Page
To Next Page IconTo Next Page
To Previous Page IconTo Previous Page
To Previous Page IconTo Previous Page
Loading...
SA3-SA100
SAR6-SAR100
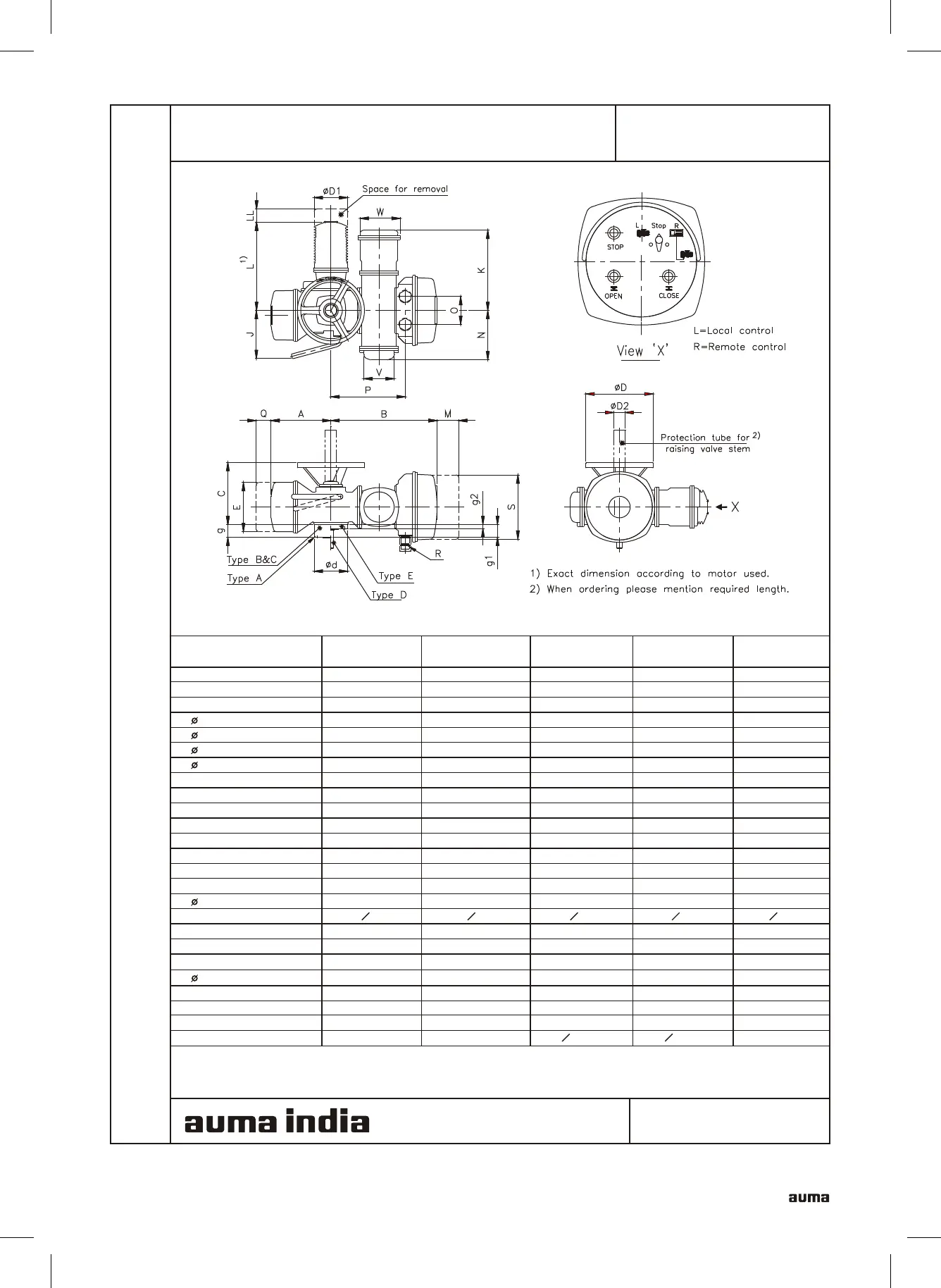
We reserve the right to alter data, dimensions and weights according to improvement made.
Figures and diagrams are not binding.
(all dimensions are in mm)
Dimensions
SA3 & SA6
SAR6
SA12 & SA15
SAR12 & SAR15
SA25 & SA30
SAR25 & SAR30
SA50 & SA60
SAR50 & SAR60
SA100
SAR100
245
451
275
360
110 - 160
76 x 3.7
255
210
342
450
45
80
227
96
340
65
2x1 BSC
255
160
185
175
51
65
22
G
A
B
C
D
D1
D2
E
J
K
L max.
LL min.
M min.
N
O
P
Q min
R (Conduit th)
S
V
W
d
g (TYPE - A)
g1 (TYPE - B & C)
g2 ( TYPE - D & E)
DIN 3210 Designation
37
215
430
210
250
110 - 125
42 x 3.3
195
185
342
340
35
80
227
96
315
65
2x1 BSC
255
160
185
125
35
50
15
G0
1
4
''
215
430
235
250
110 - 125
60 x 3.7
195
185
342
340
35
80
227
96
315
65
2x1 BSC
255
160
185
125
37
50
15
G0
1
4
''
1
4
''
275
467
380
800
125 - 200
89 x 4.1
255
230
342
515
60
80
227
96
365
65
2x1 BSC
255
160
185
210
69
80
30
G3
1
4
''
245
451
275
640
125 - 160
76 x 3.7
255
210
342
450
45
80
227
96
340
65
2x1 BSC
255
160
185
175
51
65
22
G
1
4
''
1
2
1
2
I
ntegral starter compact actuator

Related product manuals