EasyManua.ls Logo

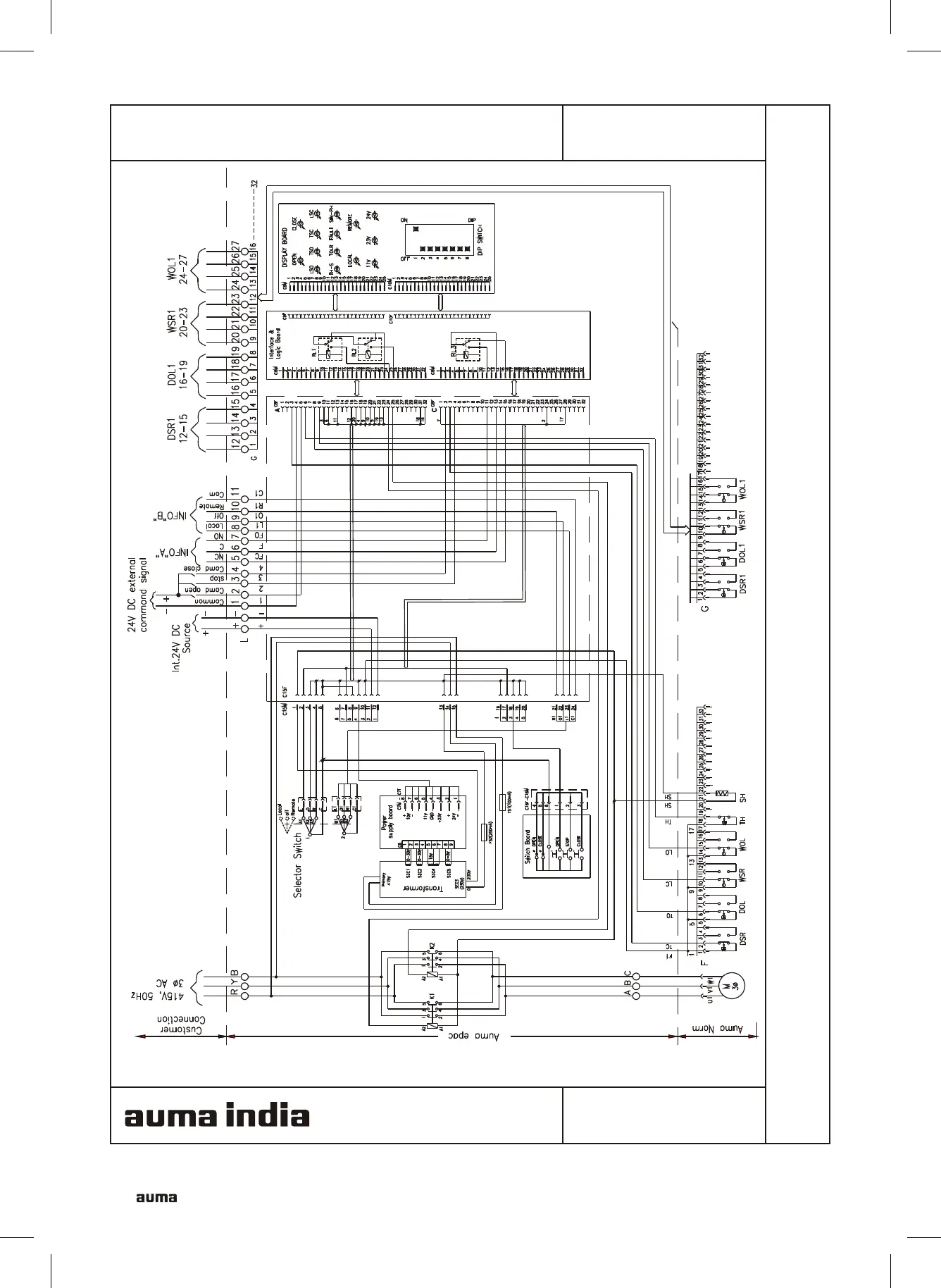
AUMA SA 25 - Wiring Diagram (Integral Starter)

AUMA SA 25
44 pages
Print Icon
To Next Page IconTo Next Page
To Next Page IconTo Next Page
To Previous Page IconTo Previous Page
To Previous Page IconTo Previous Page
Loading...
42
Wiring diagram - Integral starter, epac

Related product manuals