EasyManua.ls Logo

AUMA SA 30 - Dimension Sheet, Norm

AUMA SA 30
44 pages
Print Icon
To Next Page IconTo Next Page
To Next Page IconTo Next Page
To Previous Page IconTo Previous Page
To Previous Page IconTo Previous Page
Loading...
SA3-SA100
SAR6-SAR100
N
orm actuator
We reserve the right to alter data, dimensions and weights according to improvement made.
Figures and diagrams are not binding.
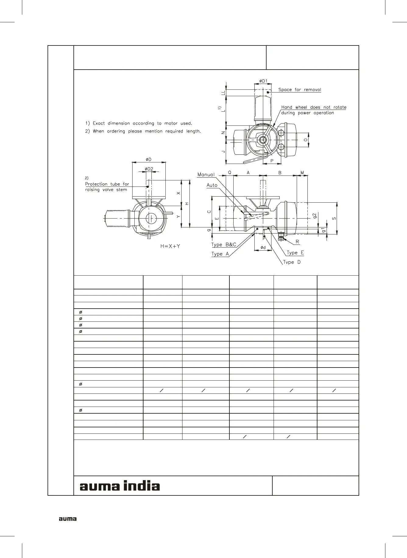
(all dimensions are in mm)
A
B
C
D
D1
D2
E
J
L max.
LL min.
M min.
N
O
P
Q min
R (Conduit th)
S
Y
d
g (TYPE - A)
g1 (TYPE - B & C)
g2 ( TYPE - D & E)
DIN 3210 Designation
Dimensions
SA3 & SA6
SAR6
SA12 & SA15
SAR12 & SAR15
SA25 & SA30
SAR25 & SAR30
SA50 & SA60
SAR50 & SAR60
SA100
SAR100
215
257
210
250
110 - 125
42 x 3.3
195
185
175-230
35
80
110
96
142
65
2x1 BSC
255
182
125
35
50
15
G0
215
257
235
250
110 - 125
60 x 3.7
195
185
175-230
35
80
110
96
142
65
2x1 BSC
255
185
125
37
50
15
G0
245
282
275
360
110 - 160
76 x 3.7
255
210
175-280
45
80
170
96
167
65
2x1 BSC
255
250
175
51
65
22
G
245
282
275
640
125 - 160
76 x 3.7
255
210
210-280
45
80
170
96
167
65
2x1 BSC
255
250
175
51
65
22
G
275
307
380
800
125 - 200
89 x 4.1
255
230
210-305
60
80
210
96
192
65
2x1 BSC
255
306
210
69
80
30
G3
36
1
2
1
2
1
4
''
1
4
''
1
4
''
1
4
''
1
4
''

Related product manuals