EasyManua.ls Logo

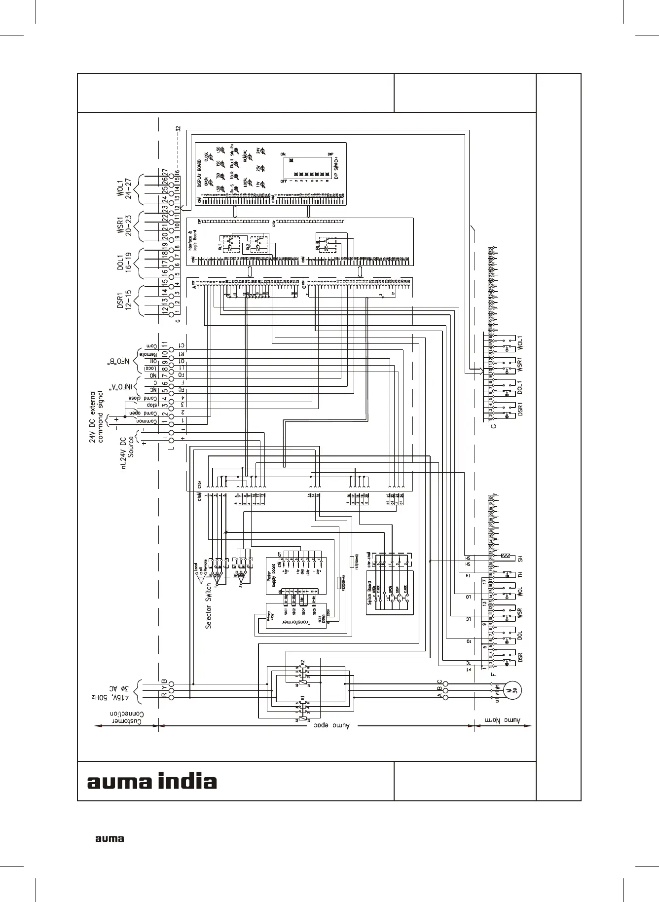
AUMA SA 60 - Wiring Diagram for Integral Starter (e-pac)

AUMA SA 60
44 pages
Print Icon
To Next Page IconTo Next Page
To Next Page IconTo Next Page
To Previous Page IconTo Previous Page
To Previous Page IconTo Previous Page
Loading...
42
Wiring diagram - Integral starter, epac

Related product manuals