EasyManua.ls Logo

Austroflamm Clou - Modelle mit ON;OFF Schneckenmotor; Detail E-Anschlussplan; Power-Splitter

Austroflamm Clou
Print Icon
To Next Page IconTo Next Page
To Next Page IconTo Next Page
To Previous Page IconTo Previous Page
To Previous Page IconTo Previous Page
Loading...
deutsch 25
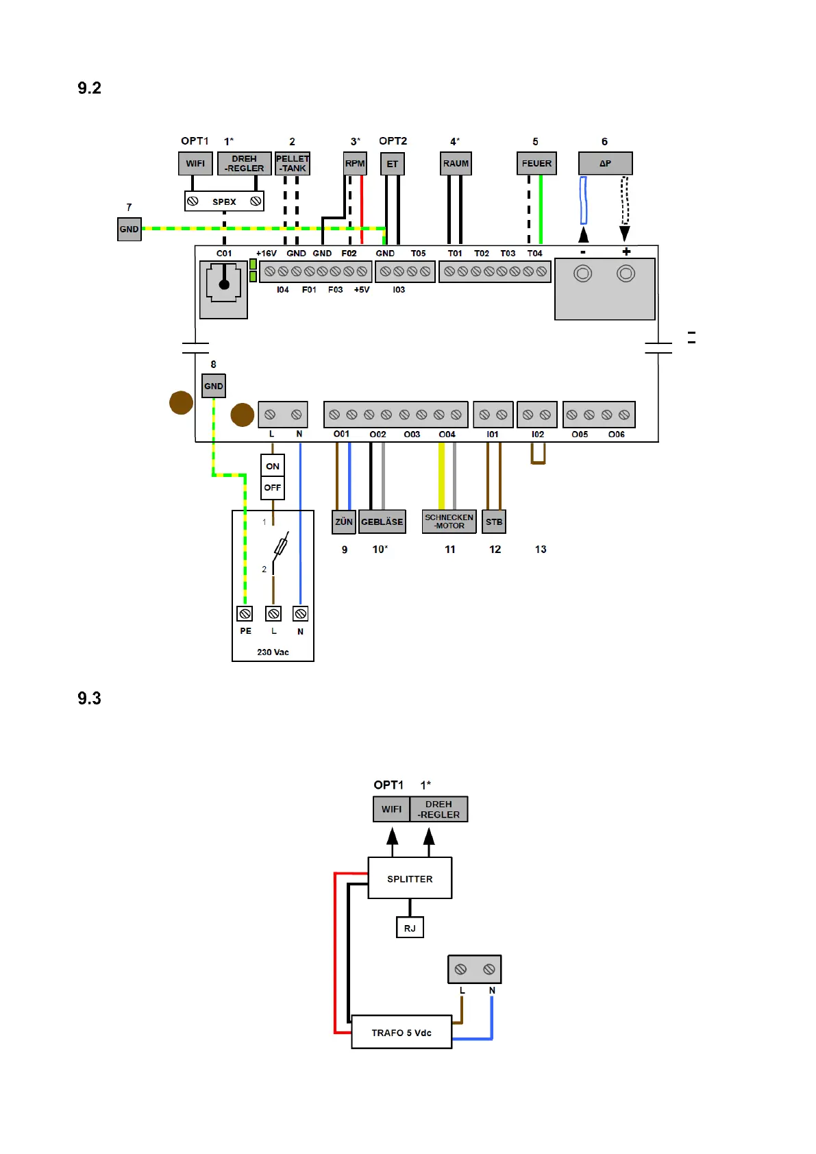
Modelle mit ON/OFF Schneckenmotor
Detail E-Anschlussplan
9.3.1 *Power-Splitter

Table of Contents

Related product manuals