EasyManua.ls Logo

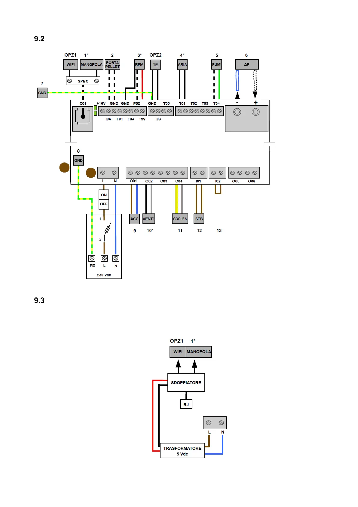
Austroflamm Clou - Dettaglio Schema Dei Collegamenti Elettrici; Modelli con Motore a Coclea ON;OFF; Power Splitter

Austroflamm Clou
Print Icon
To Next Page IconTo Next Page
To Next Page IconTo Next Page
To Previous Page IconTo Previous Page
To Previous Page IconTo Previous Page
Loading...
italiano 24
Modelli con motore a coclea ON/OFF
Dettaglio schema dei collegamenti elettrici
9.3.1 *Power Splitter

Table of Contents

Related product manuals