EasyManua.ls Logo

Autostacker A6S - Page 60

Default Icon
84 pages
Print Icon
To Next Page IconTo Next Page
To Next Page IconTo Next Page
To Previous Page IconTo Previous Page
To Previous Page IconTo Previous Page
Loading...
Autostacker™ Parking Lift 60 P/N 5900248Rev. B May 2021
Connecting the Master Power Unit
The Power Unit for your Lift setup is either 220 VAC, 60Hz, 1Ph or 208-230/460 VAC, 50/60 Hz, 3 Ph.
The Power Unit must be connected to an appropriate power source.
BendPak offers an optional MPU Enclosure that protects the Power Unit from the outdoor elements.
Call (800) 253-2363 for more information.
DANGER All wiring
must
be performed only by a licensed, certified Electrician.
Refer to Wiring Diagrams for wiring information.
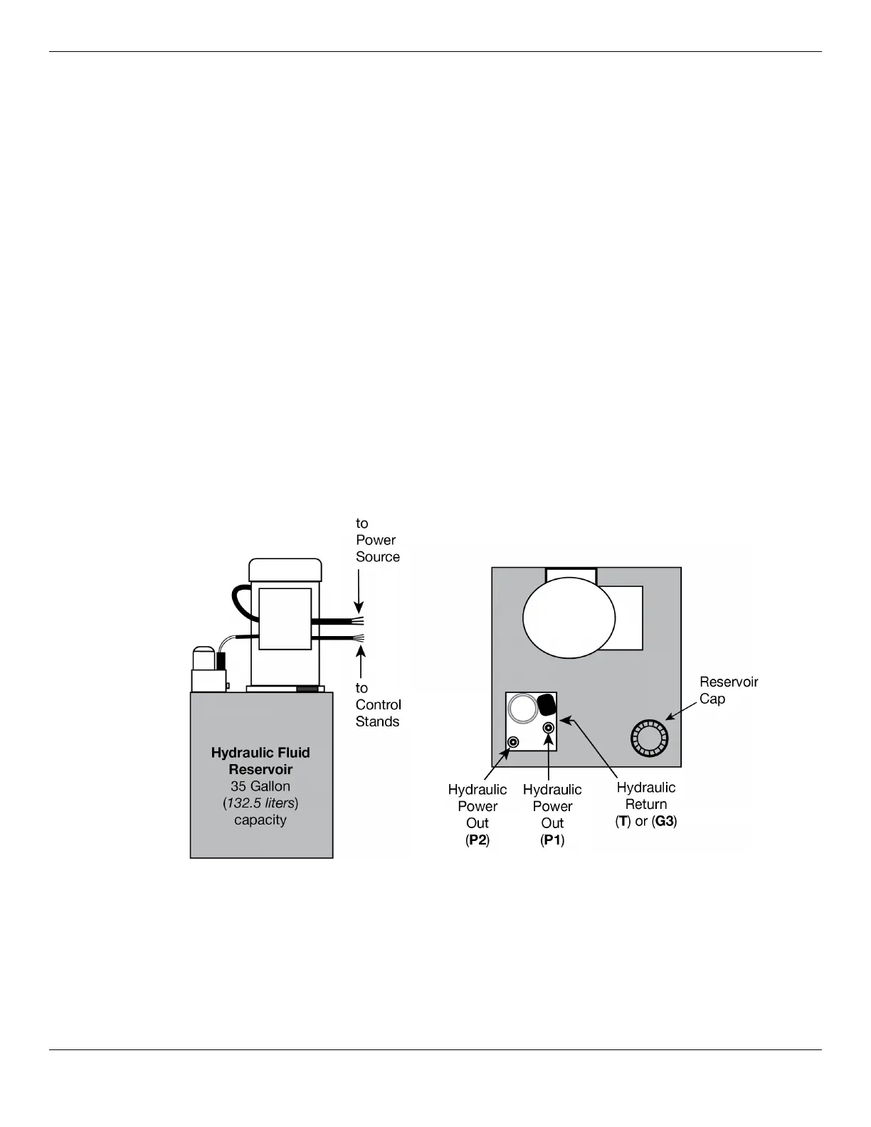
The Master Power Unit has multiple connections:
Two Steel Hydraulic Lines and One Return Line. Already in place and connected.
Control Stand Cable. Connects the Control Stands to the power source.
Power Cable. Connects the Power Unit to the power source.
Power Source. A power source is needed to operate the Lifts.
CAUTION The Hydraulic Power Ports are almost always labeled P1/P2; the Hydraulic Return
Ports are commonly labeled T1/T2, CV1/CV2, or G. Do not accidentally attach a
Hydraulic Hose to the Return Line Port. Your Autostacker will not work right unless
the Hydraulic Hoses and the Return Line are attached to the correct connector.
The following drawing shows the connections to make to your Master Power Unit.
Drawing not to scale. Not all components shown. Drawing shows top view and side view of the same
area. The Hydraulic Return Port is on the side of the Valve Block.