EasyManua.ls Logo

Avdel HydraPac HP21 - Schéma de Câblage de HP21

Avdel HydraPac HP21
Print Icon
To Next Page IconTo Next Page
To Next Page IconTo Next Page
To Previous Page IconTo Previous Page
To Previous Page IconTo Previous Page
Loading...
18
L
1
L
1
L
1
A
1
14
R
1
2 2
7
A
1
96
R
2
R
1
C
R
2
CSol
O
13
24v
M1~
~
~
+
-
96
T
1
T
2
T
3
T
1
L
2
L
2
E
L
2
T
2
S
1
L
3
L
3
T
3
I C
F
TF
T
BR
R
1
220 / 230 v
50 hz
1~
14
3
4
14
5
8
63
1
13
I
7
T O/L
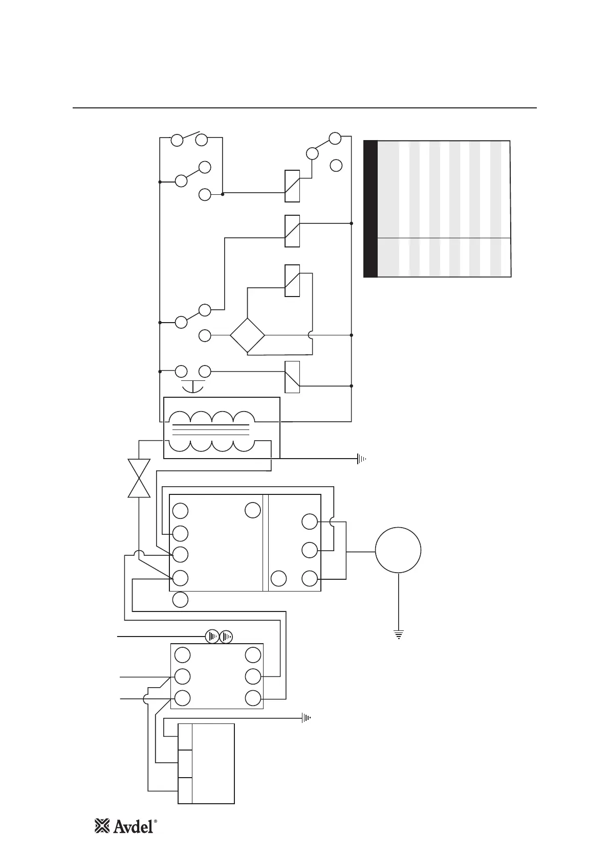
LEGENDE
I
C
T.O/L
M1~
T.F.
T
R
1
R
2
BR
F
S
1
Sol
SECTIONNEUR
DE NEUTRALISATION
CONTACTEUR
SURCHARGE THERMIQUE
MOTEUR MONOPHASE
TRANSFORMATEUR
INTERRUPTEUR A POUSSOIR
RELAIS
TEMPORISATEUR
REDRESSEUR EN PONT
FUSIBLE
PARAFOUDRE
SOLENOIDE
Schéma de Câblage de HP21
73401-02000