EasyManua.ls Logo

Avdel HydraPac HP21 - Schéma de Câblage de HP51

Avdel HydraPac HP21
Print Icon
To Next Page IconTo Next Page
To Next Page IconTo Next Page
To Previous Page IconTo Previous Page
To Previous Page IconTo Previous Page
Loading...
20
L
1
L
1
A
1
14
R
1
2 2
77
A
1
96
R
2
R
1
C
R
2
CSol
O
13
24v
M3~
~
~
+
-
96
T
1
T
2
T
3
T
1
L
2
L
2
T
2
L
3
L
3
T
3
I
C
T O/L
F
TF
T
BR
R
1
525v
50 hz
3~
14
3
4
14
5
8
63
1
13
I
L
1
L
1
L
2
E
E
S
1
S
1
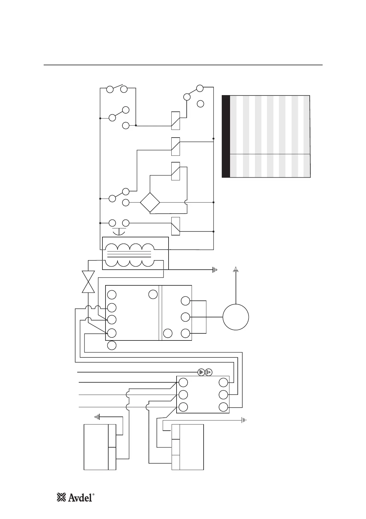
LEGENDE
I
C
T.O/L
M3~
T.F.
T
R
1
R
2
BR
F
S
1
S
2
Sol
SECTIONNEUR DE NEUTRALISATION
CONTACTEUR
SURCHARGE THERMIQUE
MOTEUR TRIPHASE
TRANSFORMATEUR
INTERRUPTEUR A POUSSOIR
RELAIS
TEMPORISATEUR
REDRESSEUR DE PONT
FUSIBLE
PARAFOUDRE
PARAFOUDRE
SOLENOIDE
Schéma de Câblage de HP51
73403-02000