EasyManua.ls Logo

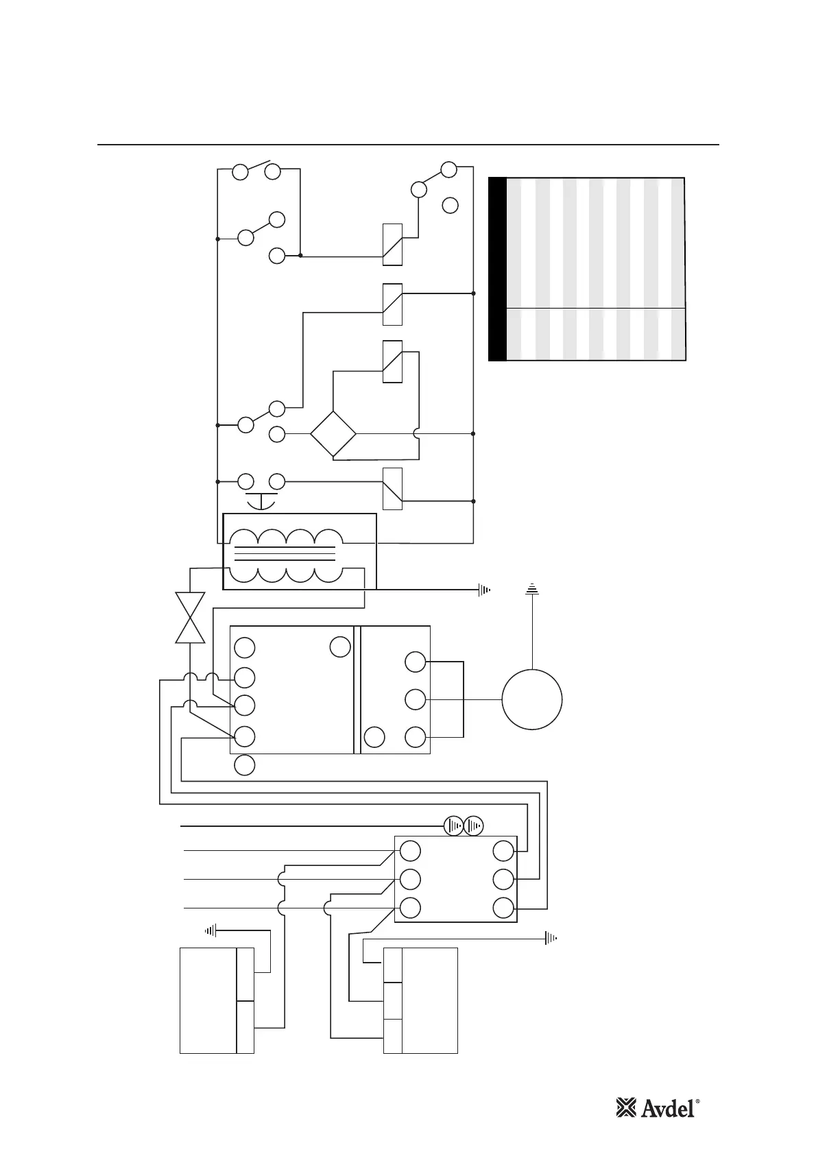
Avdel HydraPac HP21 - Wiring Diagram for HP41 HydraPac

Avdel HydraPac HP21
Print Icon
To Next Page IconTo Next Page
To Next Page IconTo Next Page
To Previous Page IconTo Previous Page
To Previous Page IconTo Previous Page
Loading...
19
L
1
L
1
A
1
14
R
1
2 2
77
A
1
96
R
2
R
1
C
R
2
CSol
O
13
24v
M3~
~
~
+
-
96
T
1
T
2
T
3
T
1
L
2
L
2
T
2
L
3
L
3
T
3
I
C
T O/L
F
TF
T
BR
R
1
400 / 415v
or 525v
50 hz
3~
14
3
4
14
5
8
63
1
13
I
L
1
L
1
L
2
E
E
S
1
S
2
LEGEND
I LOCK OUT ISOLATOR
C CONTACTOR
T.O/L THERMAL OVERLOAD
M3~ THREE PHASE MOTOR
T.F. TRANSFORMER
T TRIGGER SWITCH
R
1
RELAY
R
2
TIMER
BR BRIDGE RECTIFIER
F FUSE
S
1
SURGE ARRESTOR
S
2
SURGE ARRESTOR
Sol SOLENOID
Wiring Diagram for HP41 HydraPac
73400-02000