EasyManua.ls Logo

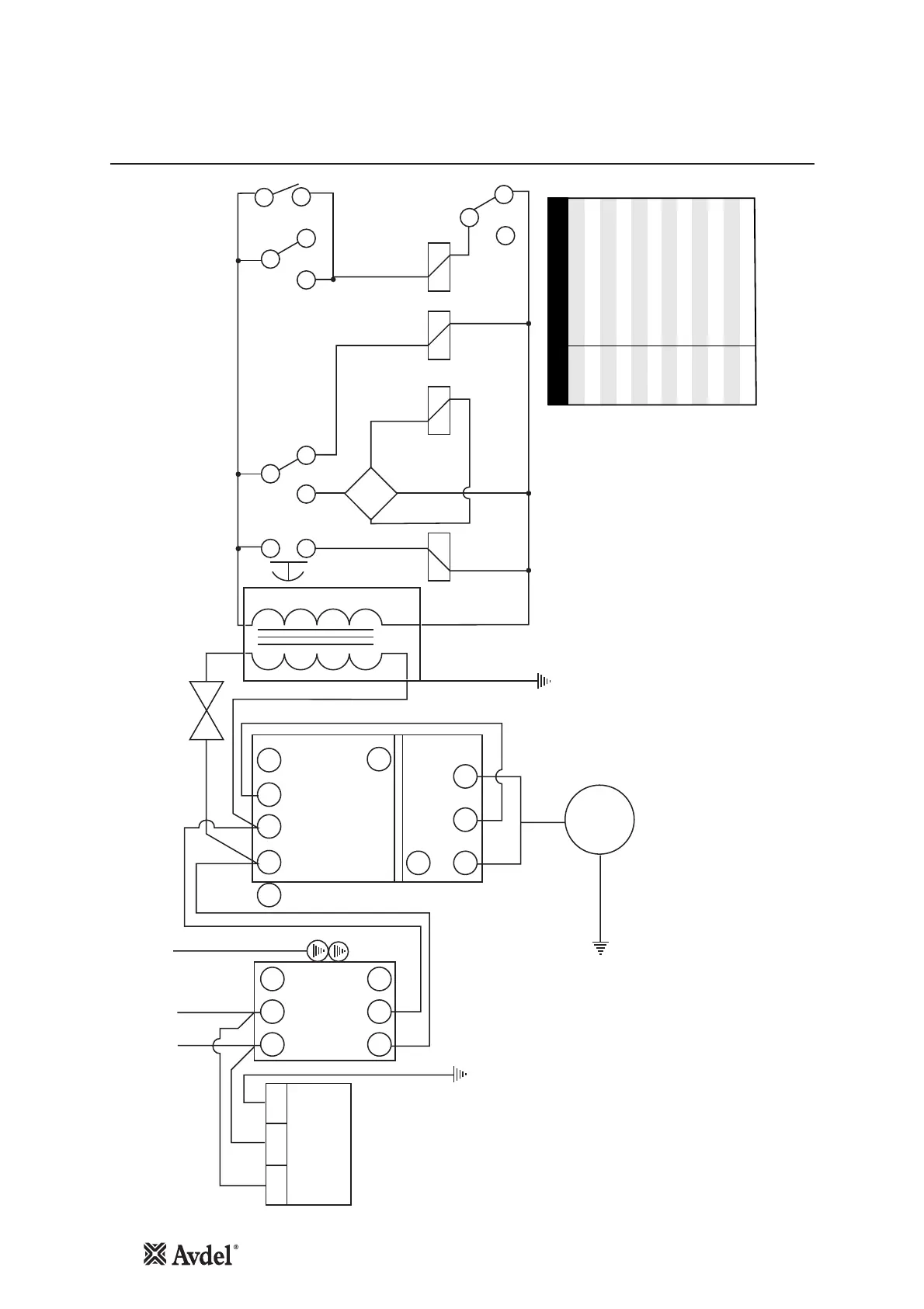
Avdel HydraPac HP21 - Wiring Diagram for HP21 HydraPac

Avdel HydraPac HP21
Print Icon
To Next Page IconTo Next Page
To Next Page IconTo Next Page
To Previous Page IconTo Previous Page
To Previous Page IconTo Previous Page
Loading...
18
L
1
L
1
L
1
A
1
14
R
1
2 2
7
A
1
96
R
2
R
1
C
R
2
CSol
O
13
24v
M1~
~
~
+
-
96
T
1
T
2
T
3
T
1
L
2
L
2
E
L
2
T
2
S
1
L
3
L
3
T
3
I C
F
TF
T
BR
R
1
220 / 230 v
50 hz
1~
14
3
4
14
5
8
63
1
13
I
7
T O/L
LEGEND
I LOCK OUT ISOLATOR
C CONTACTOR
T.O/L THERMAL OVERLOAD
M1~ SINGLE PHASE MOTOR
T.F. TRANSFORMER
T TRIGGER SWITCH
R
1
RELAY
R
2
TIMER
BR BRIDGE RECTIFIER
F FUSE
S
1
SURGE ARRESTOR
Sol SOLENOID
Wiring Diagram for HP21 HydraPac
73401-02000