EasyManua.ls Logo

Axis F41 - Events; Set Up Action Rules

Axis F41
144 pages
Print Icon
To Next Page IconTo Next Page
To Next Page IconTo Next Page
To Previous Page IconTo Previous Page
To Previous Page IconTo Previous Page
Loading...
AXISF41MainUnit
RS232GND
3
Miseàlaterre
RS232CTSalt
4
RS232RDalt
5
EntréederécepteurRS-232
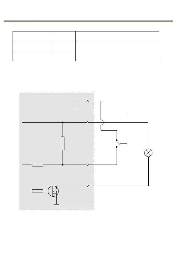
Schémasdeconnexion
Connecteurd'E/S
1
2
3
A
B
D
S
G
1
0VCC(-)
2
SortieCC12V,maxi.50mA
3
Exemple:bouton-poussoir
38

Table of Contents

Other manuals for Axis F41

Related product manuals