EasyManua.ls Logo

Axor Microspeed 12 - Page 22

Axor Microspeed 12
44 pages
Print Icon
To Next Page IconTo Next Page
To Next Page IconTo Next Page
To Previous Page IconTo Previous Page
To Previous Page IconTo Previous Page
Loading...
MICROSPEED
22
REV 04/05
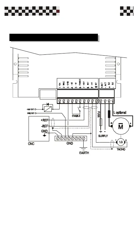
Connections
A
A) This drawing shows an example with an application to
connect the differential speed ref from CNC.

Related product manuals