EasyManua.ls Logo

Axor Microspeed 12 - Page 23

Axor Microspeed 12
44 pages
Print Icon
To Next Page IconTo Next Page
To Next Page IconTo Next Page
To Previous Page IconTo Previous Page
To Previous Page IconTo Previous Page
Loading...
23
MICROSPEED
REV 04/05
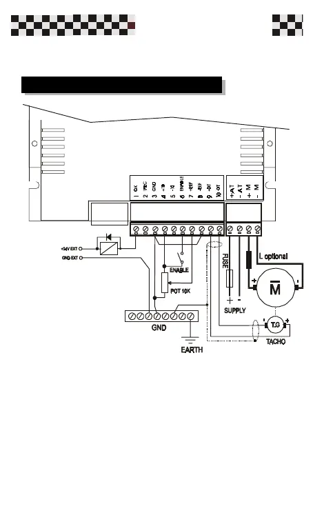
B) This drawing shows an example of connecting the
speed reference using the internal voltage of the drive.
The speed potentiometer must have a value between 10k
and 47 k.
The tacho screen must be connected to 0 S of the drive
with only one cable. That cable connects the tacho screen
to the isolated bar in the electrical box.
B
Connections

Related product manuals