EasyManua.ls Logo

Axor Microspeed 12 - Page 24

Axor Microspeed 12
44 pages
Print Icon
To Next Page IconTo Next Page
To Next Page IconTo Next Page
To Previous Page IconTo Previous Page
To Previous Page IconTo Previous Page
Loading...
MICROSPEED
24
REV 04/05
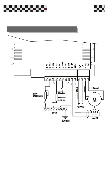
C) Applying a resistive load a current limitation comes
from the drive,when contact 1 is closed.
If we insert a potentiometer with a value of 470 Kohm
connected as rheostat,the current may be reduced from
95% to zero.
Connection
C
1

Related product manuals