EasyManua.ls Logo

Becker S60II - What Should You Do, if; Wiring Diagram

Becker S60II
Print Icon
To Next Page IconTo Next Page
To Next Page IconTo Next Page
To Previous Page IconTo Previous Page
To Previous Page IconTo Previous Page
Loading...
14
Operating Instructions
Potential-free relay
A relay with potential-free change-over contact is located on the motherboard of the S60 II (terminals C, NC,NO). Using
function switch FS1, you can select whether the relay is actuated via the Multicard II insert card or via the S8 limit switch of
the drive.
In position FS1=A the relay is actuated by the control card.
In position FS1=B the relay is actuated by limit switch S8 (green cam).
What should you do, if...?
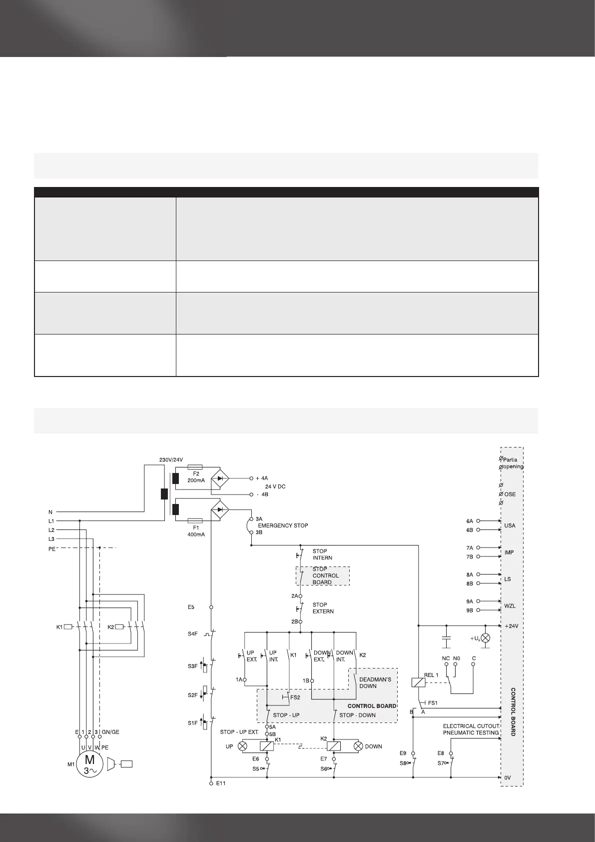
Wiring diagram
Possible faults: Possible causes and remedy:
S60 II does not switch on when
the power supply is switched on.
+UB pilot light (green) on the mo-
therboard does not illuminate.
- Check mains feed (fuse).
- Check safety circuit (e.g. emergency stop switch, slack cable limit switch, safety limit
switch).
- Check that connection wires are securely fi xed in the terminals.
- Check ne-wire fuse inside the unit. Replace if defective. If failure occurs again, inform
your dealer.
No response when buttons are-
pressed.
- Check emergency stop circuit.
- Check safety circuit.
- Check plug-in connections of triple pushbuttons.
The door only closes in
deadman’s mode, although the
“Multicard II” with safety edge is
being used.
- Check safety edge.
- Check integrated loop resistance and DIP 2 switch position (1.2 kOhm or 8.2 kOhm).
- Check pneumatic setting.
- Please also note the relevant error codes of the “Multicard II”.
The door only opens in
deadman’s mode.
If the deadman’s card is being used:
- Sliding switch on deadman’s card is set to “Deadman UP”.
If “Multicard II” is being used:
- Card is in setting mode. Check the setting of DIP switch 8.