EasyManua.ls Logo

Becker S60II - Was Tun, wenn; Stromlaufplan

Becker S60II
Print Icon
To Next Page IconTo Next Page
To Next Page IconTo Next Page
To Previous Page IconTo Previous Page
To Previous Page IconTo Previous Page
Loading...
8
Bedienungsanleitung
Potentialfreies Relais
Auf der Grundplatine der S60 II befi ndet sich ein Relais mit potentialfreiem Wechselkontakt
(Klemmen C, NC,NO). Mit dem Funktionsschalter FS1 kann gewählt werden, ob das Relais über die Steuerkarte Multicard II
oder über den Endschalter S8 des Antriebes angesteuert wird.
In der Position FS1=A wird das Relais durch die Steuerkarte angesteuert.
In der Position FS1=B wird das Relais durch den Endschalter S8 (grüner Nocken) angesteuert.
Was tun, wenn...?
Mögliche Fehler: Mögliche Ursachen und Behebung:
S60 II schaltet nach Einschalten
der Netzspannung nicht ein. Kon-
trollleuchte +UB (grün) auf der
Grundplatine leuchtet nicht.
- Netzzuleitung (Sicherung) überprüfen.
- Sicherheitskreis (z.B. Not-Aus-Taster, Schlaffseilendschalter, Sicherheitsendschal-
ter) überprüfen.
- Anschlussadern auf festen Sitz in den Klemmen prüfen.
- Geräteinterne Feinsicherung prüfen. Falls defekt, austauschen. Bei erneutem Ausfall
benachrichtigen Sie Ihren Fachhändler.
Keine Reaktion auf Tastendruck. - Not-Aus-Kreis überprüfen.
- Sicherheitskreis überprüfen.
- Steckverbindung der Dreifachdrucktaster überprüfen
Das Tor schließt nur im Totmann-
Betrieb, obwohl die „Multicard II“
mit Sicherheitsleiste verwendet
wird.
- Sicherheitsleiste überprüfen.
- Eingebauten Schleifenwiderstand und Schalterstellung DIP 2 (Umschaltung 1,2 oder
8,2 kOhm) überprüfen.
- DW-Einstellung überprüfen.
- Beachten Sie hier auch die entsprechenden Fehlercodes der „Multicard II“.
Das Tor öffnet nur im Totmann-
Betrieb.
Bei Verwendung der Totmann-Karte:
- Schiebeschalter der Totmann-Karte ist auf „Totmann-AUF“ eingestellt.
Bei Verwendung der „Multicard II“:
- Karte ist im Einstellmodus. Prüfen Sie die Einstellung von DIP-Schalter 8.
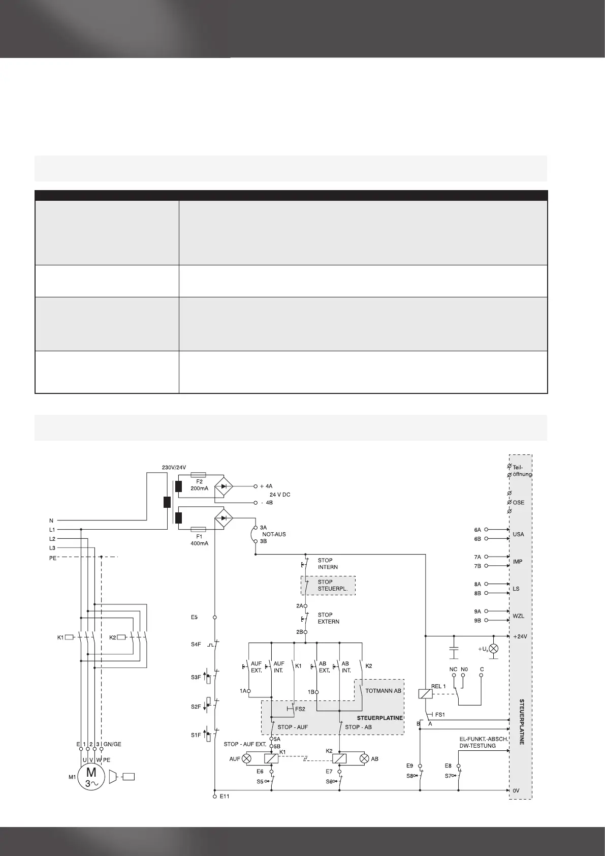
Stromlaufplan