EasyManua.ls Logo

Becker S60II - Schakelschema; Wat te Doen, Indien

Becker S60II
Print Icon
To Next Page IconTo Next Page
To Next Page IconTo Next Page
To Previous Page IconTo Previous Page
To Previous Page IconTo Previous Page
Loading...
26
Gebruiksaanwijzing
Potentiaalvrij relais
Op de basisprintplaat van de S60 II bevindt zich een relais met potentiaalvrij wisselcontact (klemmen C, NC,NO). Met de
functieschakelaar FS1 kan worden gekozen, of het relais via de besturingskaart Multicard II of via de eindschakelaar S8 van
de aandrijving wordt aangestuurd.
In de positie FS1=A wordt het relais aangestuurd door de besturingskaart.
In de positie FS1=B wordt het relais door de eindschakelaar S8 (groene nok) aangestuurd.
Wat te doen, indien...?
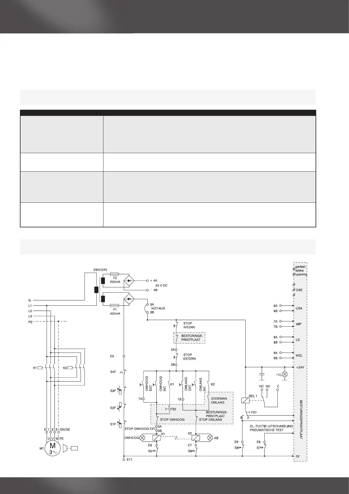
Schakelschema
Mogelijke fout: Mogelijke oorzaken en oplossing:
S60 II schakelt na inschakeling
van de netspanning niet in. Con-
trolelampje +UB (groen) op de
basisprintplaat brandt niet.
- Voedingsleiding (zekering) controleren.
- Veiligheidskring (bv. noodstopschakelaar, slappekabeleindschakelaar, veiligheids-
eindschakelaar) controleren.
- Aansluitaders controleren op vaste zitting in de klemmen.
- Inwendige zekering controleren. Indien defect, vervangen. Bij herhaald defect uw ge-
specialiseerde handelaar raadplegen.
Geen reactie bij indrukken van
een toets.
- Noodstopkring controleren.
- Veiligheidskring controleren.
- Insteekverbinding van de drievoudige druktoets controleren
De deur sluit alleen in dodeman-
bedrijf, hoewel de “Multicard II”
met Sluitkantbeveiliging wordt
gebruikt..
- Sluitkantbeveiliging controleren.
- Ingebouwde afsluitweerstand en schakelaarstand DIP 2 (omschakeling 1,2 of 8,2
kOhm) controleren.
- Pneumatische instelling controleren.
- Neem hier ook de overeenkomstige foutcodes van de “Multicard II” in acht.
De deur opent alleen in dode-
manbedrijf.
Bij gebruik van de dodemankaart:
- Schuifschakelaar van de dodemankaart is ingesteld op “dodeman-OMHOOG”.
Bij gebruik van de “Multicard II”:
- Kaart bevindt zich in de instelmodus. Controleer de instelling van DIP-schakelaar 8.