EasyManua.ls Logo

Becker S60II - Que Faire si; Schéma de Câblage

Becker S60II
Print Icon
To Next Page IconTo Next Page
To Next Page IconTo Next Page
To Previous Page IconTo Previous Page
To Previous Page IconTo Previous Page
Loading...
20
Notice d‘utilisation
Relais sans potentiel
La platine de base de la commande S60 II comporte un relais avec contact inverseur sans potentiel
(bornes C, NC, NO). Le commutateur de fonction FS1 permet de choisir si le relais est piloté par la carte de commande Mul-
ticard II ou par le commutateur S8 du moteur.
En position FS1=A , le relais est piloté par la carte de commande.
En position FS1=B , le relais est piloté par le commutateur S8 (came verte).
Que faire si ... ?
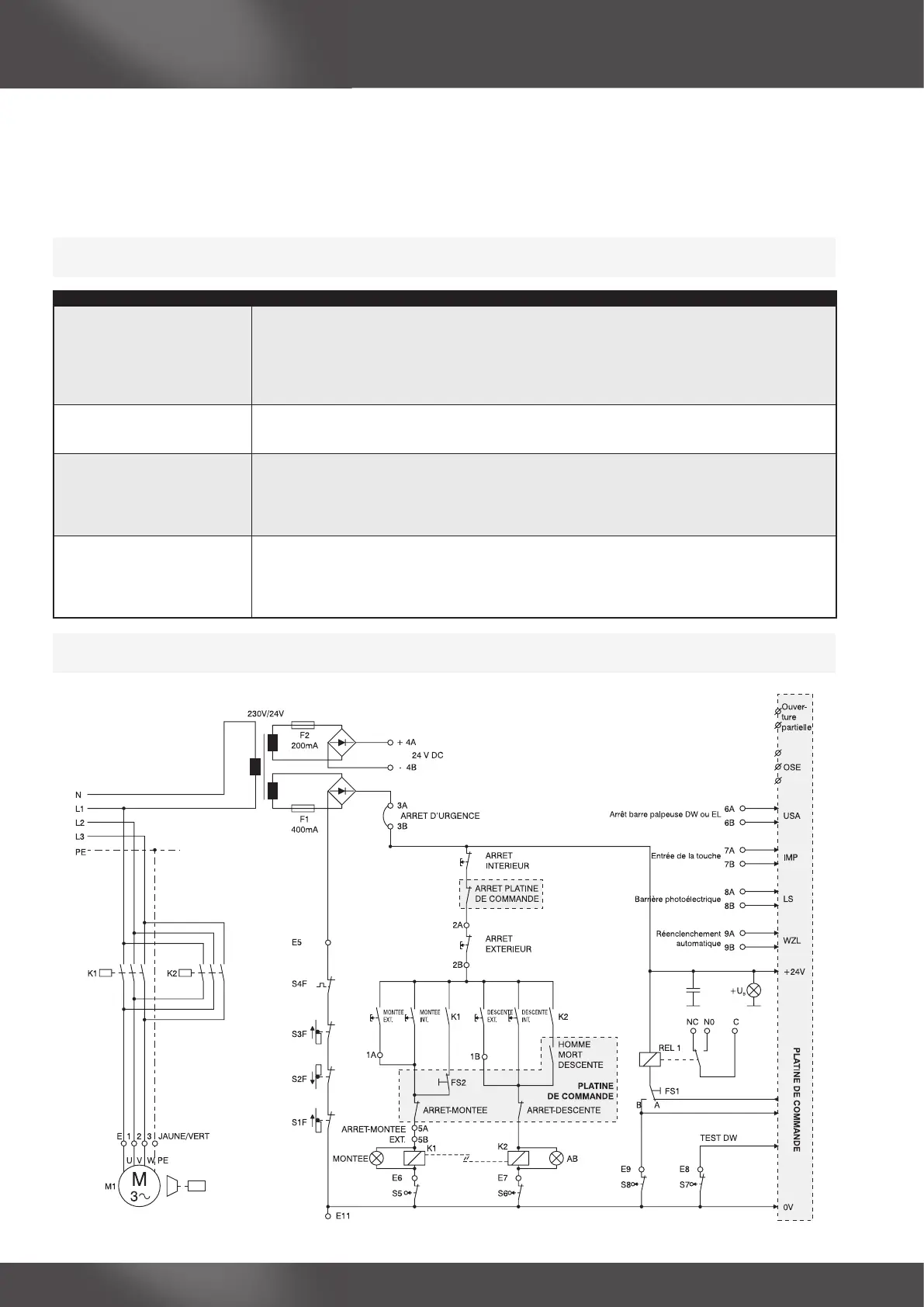
Schéma de câblage
Dysfonctionnement possible: Cause possible et élimination:
S60 II ne se met pas en
marche après la mise sous
tension. Le voyant de contrôle
+UB (vert) surla platine de
base ne s’allume pas..
- Vérifi er la ligne d’alimentation secteur (fusible).
- Vérifi er le circuit de sécurité (p. ex. bouton d’arrêt d‘urgence, commutateur actionné par
câble détendu, commutateur de sécurité).
- Vérifi er que les fi ls de connexion sont bien raccordés aux bornes.
- Vérifi er les fusibles pour courant faible internes à l’appareil. En cas de défectuosité, les
remplacer. En cas de nouveau dysfonctionnement, informez votre revendeur spécialisé.
Pas de réaction à l’actionne-
ment de touches.
- Vérifi er le circuit d’arrêt d‘urgence.
- Vérifi er le circuit de sécurité.
- Vérifi er la connexion enfi chée des boutons-poussoirs triples.
La porte ferme uniquement en
mode Homme mort, bien que
la « Multicard II » soit utilisée
avec une barre palpeuse
- Vérifi er la réglette de sécurité.
- Vérifi er la résistance de boucle intégrée et la position du commutateur DIP 2 (1,2 ou 8,2 k
Ohm)
- Vérifi er le réglage de la barre pneumatique DW.
- Là aussi, observez les codes d’erreur correspondants de la « Multicard II ».
La porte s’ouvre uniquement
en mode Homme mort.
Si l’on utilise la carte « homme mort »:
- Le commutateur à coulisse de la carte «homme morest réglé sur « MONTÉE Homme
mort ».
Si l’on utilise la « Multicard II »:
- La carte est en mode réglage. Vérifi ez le réglage du commutateur DIP 8.