EasyManua.ls Logo

Belling Gas Range - Wiring Diagrams

Belling Gas Range
93 pages
Print Icon
To Next Page IconTo Next Page
To Next Page IconTo Next Page
To Previous Page IconTo Previous Page
To Previous Page IconTo Previous Page
Loading...
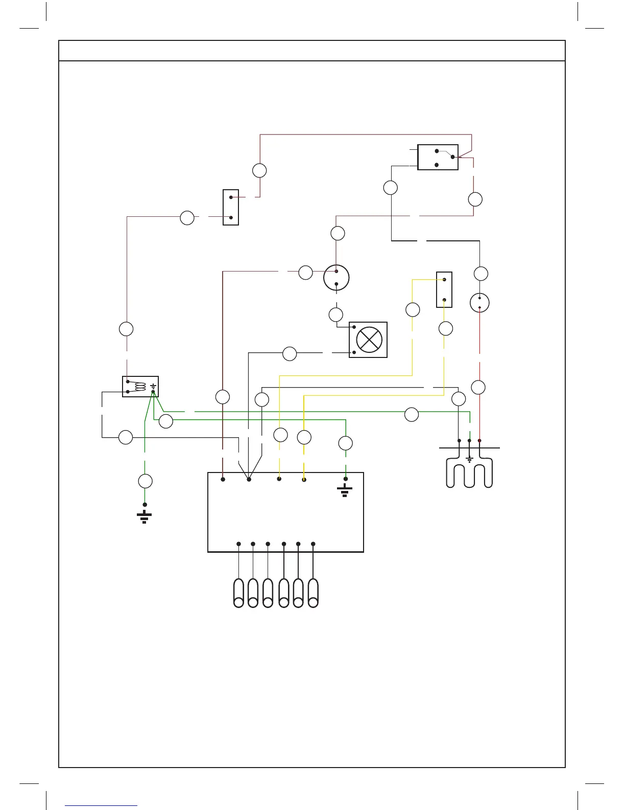
Wiring colour code: Bk - Black, Bn - Brown, Bu - Blue, Gn - Green, Or - Orange, R - Red, W - White, Y - Yellow.
MAIN
OVEN
LAMP
SW
IGNITION ELECTRODES
N
IGNITION
GENERATOR
LIGHT SWITCH
COOLING
FAN
F60c
THERMAL
OVERRUN
SWITCH
IGNITION
SWITCH
W
467
310
84
SW
L
Gn
Gn
Gn
64
503
GRILL ELEMENT
GRILL T/OVEN
MICROSWITCH
C
NC
NO
Bn
Bn
58
579
84
Bn
Bn
Bn
58
58
463
Gn
EARTH
PLATE
POINT
102
L120c
THERMAL
CUTOUT
616
Y
102
W
W
W
579
310
W
W
W
W
53
R
503
Bn
Bn
616
616
616
Y
Y
Y
64
64
BELLING FSG 60DO - AU
ISSUE A
08 27488 00
01.2010

Table of Contents

Related product manuals