EasyManua.ls Logo

Belling Sterling DFT AU - Page 46

Belling Sterling DFT AU
52 pages
Print Icon
To Next Page IconTo Next Page
To Next Page IconTo Next Page
To Previous Page IconTo Previous Page
To Previous Page IconTo Previous Page
Loading...
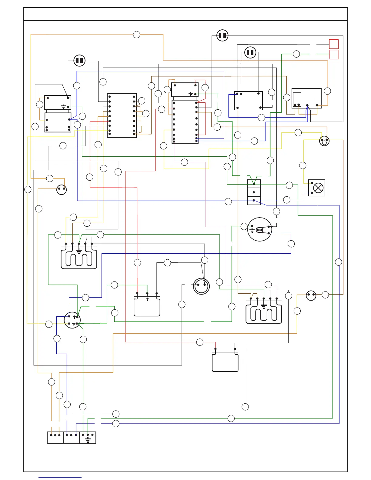
LH OVENS
L
N
INLET TERMINAL BLOCK
Wiring colour code: Bk-Black, Bn-Brown, Bu-Blue, Gn-Green, Or-Orange, R-Red, W-White, Y-Yellow, Gy-Grey, V-Violet
ISSUE A - P1/2
R
PROGRAMMER
LN
LH MAIN OVEN
FAN
ELEMENT
LH TOP OV GRILL ELEMENT
T/O BASE
ELEMENT
LH TOP REAR
THERMAL
CUTOUT
LH MAIN
OVEN NEON
F70c LH
TOP FRONT
THERMAL
SWITCH
LH SIDE
COOLING
FAN
GRILL
NEON
LH MAIN
OVEN STIR
FAN FIT
PIGGY HERE
1
2
THERMOSTAT
LH TOP OVEN SWITCH
1
2
3
4
5
6
7
P1
P2
P3
P4
P5
P6
P7
P1,L
2,A
4,N
GRILL REG.
PILOT
8
7
6
5
4
3
2
1
P8
P7
P6
P5
P3
P2
P1
SELECTOR SWITCH
LH MO
TERMINAL
BLOCK
MAIN (LH)
OVEN LAMP
LH MAIN OVEN
GRILL ELEMENT
LH REAR
THERMAL
CUTOUT
TOP
OVEN NEON
1
2
THERMOSTAT
1
2
P1
P2
LH MAIN
OV
444
446
409
409
449
449
428
428
450
450
448
448
W
W
422
422
554
554
554
554
P8
8
444
537
555
555
W
W
530
530
408
408
427
427
412
412
412
440
440
453
453
426
426
426
LH M/O
BASE
ELEMENT
P4
FRONT
BACK
444
582
582
582
582
582
551
551
204
204
404
404
404
64
64
64
64
Gn
Gn
63
63
63
63
63
63
Bk
431
431
513
421
421
421
404
Or
Or
Bu
Bk
Bu
Gn
Bk
Bk
Bk
GnGn
BELLING RICHMOND 900DFT - AU
20
20
20
Gn
Gn
Gn
440
440
513
419
A
B
Bu
Bu
Bu
W
W
08 30821 00
05.2010

Related product manuals