EasyManua.ls Logo

Belling Sterling DFT AU - Page 47

Belling Sterling DFT AU
52 pages
Print Icon
To Next Page IconTo Next Page
To Next Page IconTo Next Page
To Previous Page IconTo Previous Page
To Previous Page IconTo Previous Page
Loading...
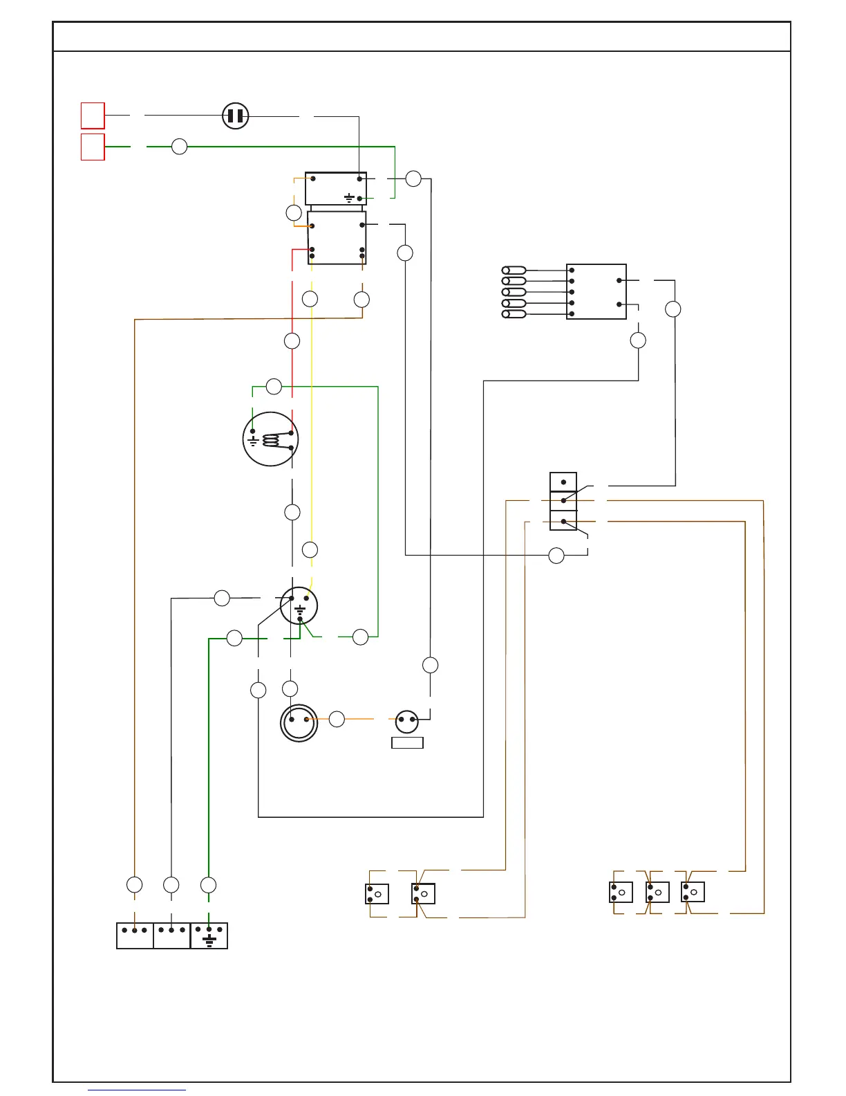
RH OVEN
Wiring colour code: Bk-Black, Bn-Brown, Bu-Blue, Gn-Green, Or-Orange, R-Red, W-White, Y-Yellow, Gy-Grey, V-Violet
L
N
INLET TERMINAL BLOCK
3 WAY TERMINAL
BLOCK (RH)
IGNITION
GENERATOR
RIGHT HAND IGNITION SWITCHES
LEFT HAND IGNITION SWITCHES
401
Bk
L
N
W
458
Bn
Bn
W
RH OVEN FAN
ELEMENT
1
2
THERMOSTAT
RH OVEN
SWITCH
1
2
P1
P2
RH REAR
THERMAL
CUTOUT
RH OVEN
STIR
FAN
RIGHT HAND
OVEN LAMP
444
101
Bn
R
Or
Bk
474
Bk
L150C
R
Y
RH OVEN
NEON
Bk Bk
Y
Bn
Bn
Bn
Bn
Bn
Bn
444
Or
474
W
66
66
Bk Bk
474
469
469
512
53
512
101
Bn
20
20
Gn
Gn
Gn
Gn
401
64
Gn
W
W
W
41
41
40
Bk
Bk
BELLING RICHMOND 900DFT - AU
A
B
Gn
Bn
Bn
Bn
Bn
Bn
Bn
ISSUE A - P2/2
08 30821 00
05.2010

Related product manuals