EasyManua.ls Logo

BENDIXKing KY 97A - Page 218

BENDIXKing KY 97A
237 pages
Print Icon
To Next Page IconTo Next Page
To Next Page IconTo Next Page
To Previous Page IconTo Previous Page
To Previous Page IconTo Previous Page
Loading...
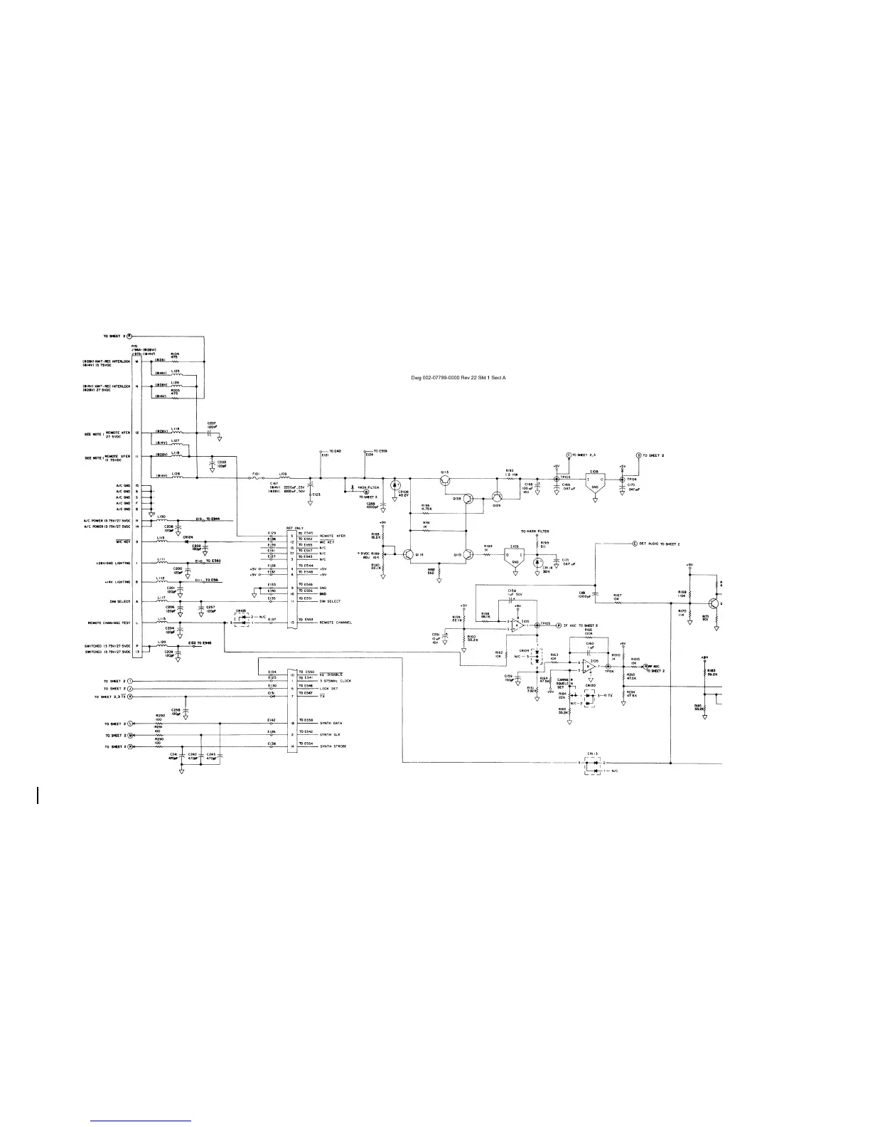
B KY 96A, KY 97A
Rev 5, Apr 2003 MM 006-05674-0005.dwd Page 6-249
FIGURE 6-17A KY 96A, KY 97A (28V_14V) Main Board Schematic (Sht 1 of 6)
(Dwg No 002-07799-0000, Rev 22, Sht 1, Sect A)

Related product manuals