EasyManua.ls Logo

BENDIXKing KY 97A - Page 79

BENDIXKing KY 97A
237 pages
Print Icon
To Next Page IconTo Next Page
To Next Page IconTo Next Page
To Previous Page IconTo Previous Page
To Previous Page IconTo Previous Page
Loading...
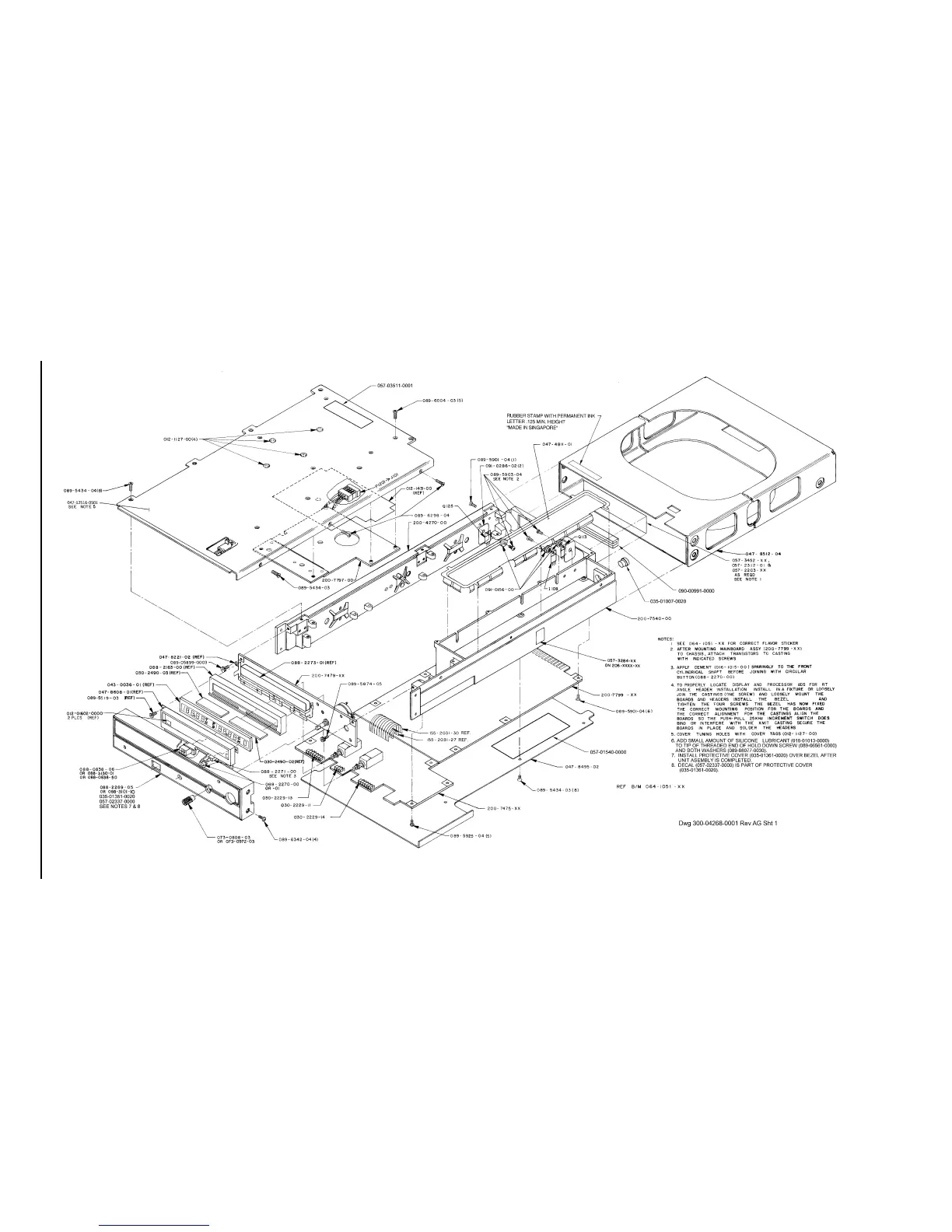
B KY 96A, KY 97A
Rev 5, Apr 2003 MM 006-05674-0005.dwd Page 6-49
FIGURE 6-2 KY 97A Final Assembly (Sht 1 of 2)
(Dwg No 300-04268-0001, Rev AG, Sht 1)

Related product manuals