EasyManua.ls Logo

BenQ 2720S - Analog Signal Processor

BenQ 2720S
67 pages
Print Icon
To Next Page IconTo Next Page
To Next Page IconTo Next Page
To Previous Page IconTo Previous Page
To Previous Page IconTo Previous Page
Loading...
5. External System RAM: This ASIC supports 256k*16, 1M*16, 2M*16,
and 4M*16 EDO DRAMs for storing shading, gamma tables, and
buffering data to transmit to host PC.
6. Host I/O interface: Connect to host PC via SCSI.
7. Digital signal processing: even-odd compensation, digital shading,
1-D LPF, Gamma correction, binary image processing.
8. A horizontal resolution control (by decimation) circuit.
9. An 16-bit Misc. I/O port for connecting motor driver, LEDs, sensors,
etc..
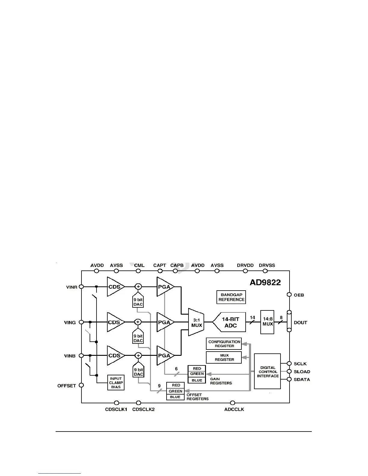
5.4 Analog Signal Processor
This section describes the ASP on the MainBoard. The readers here may
refer to the next section for the other information about analog circuits on
the CCD head.
Figure 5-7
5-8 API Confidential Electrical Systems
No Copy/Reproduction allowed

Related product manuals