EasyManua.ls Logo

BenQ V6000 - Connection

BenQ V6000
43 pages
Print Icon
To Next Page IconTo Next Page
To Next Page IconTo Next Page
To Previous Page IconTo Previous Page
To Previous Page IconTo Previous Page
Loading...
14 Connection
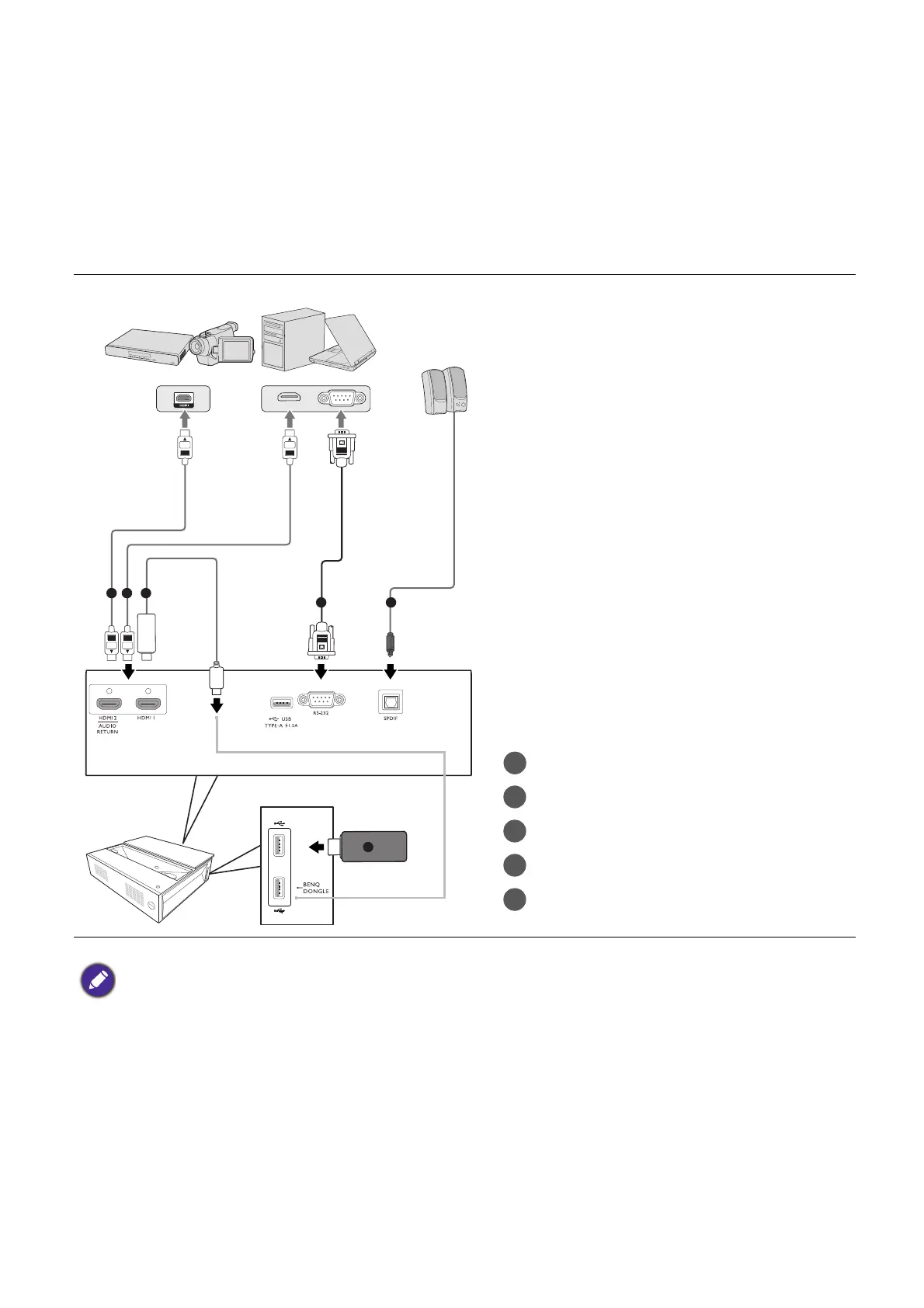
Connection
When connecting a signal source to the projector, be sure to:
1. Turn all equipment off before making any connections.
2. Use the correct signal cables for each source.
3. Ensure the cables are firmly inserted.
• In the connections above, some cables may not be included with the projector (see Shipping contents on page 8).
They are commercially available from electronics stores.
• The connection illustrations are for reference only. The rear connecting jacks available on the projector vary with
each projector model.
• Many notebooks do not turn on their external video ports when connected to a projector. Usually a key combo
like FN + function key, or Windows + F9 with a monitor symbol turns the external display on/off. Press FN and
the labeled function key simultaneously. Refer to your notebook's documentation to find your notebook's key
combination.
• If the selected video image is not displayed after the projector is turned on and the correct video source has been
selected, check that the video source device is turned on and operating correctly. Also check that the signal cables
have been connected correctly.
3 4
5
1 1 2
1
2
3
4
5

Related product manuals